題組內容
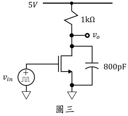
五、如圖三所示的 NMOS反向器(Inverter)電路,其NMOS之 VTn = 2V 且 vin= 0 / 5V 的脈衝波(Pulse Train)。該NMOS的轉導(Transconductance) 為100姆歐,且於vin= 5V 時的飽和電流為10A。該脈衝波於20%責任週期(duty cycle)與500 kHz下切換。(每小題10分,共20分)
五、如圖三所示的 NMOS反向器(Inverter)電路,其NMOS之 VTn = 2V 且 vin= 0 / 5V 的脈衝波(Pulse Train)。該NMOS的轉導(Transconductance) 為100姆歐,且於vin= 5V 時的飽和電流為10A。該脈衝波於20%責任週期(duty cycle)與500 kHz下切換。(每小題10分,共20分)