阿摩線上測驗
登入
首頁
>
國營事業◆1.電力系統 2.電機機械
>
100年 - 100 經濟部所屬事業機構_新進職員甄試_電機:1.電力系統 2.電機機械#35879
> 申論題
題組內容
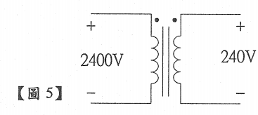
七、一部50kVA 2400 V / 240 V雙繞組單相變壓器,如右下【圖5】在滿載下功率因數為18 落後,效率為98 %,將此變壓器連接成2400 V/2640 V升壓自柄變壓器,試求:
(二)此自耦變壓器的容量為多少(kVA) ? (4分)
相關申論題
(一)送電端之線電壓及功率因數。(6分)
#97647
(二)電壓調整率。(4分)
#97648
(一)變壓器兩側次暫態、暫態、穩態短路電流各為多少安培。(6分)
#97650
(二)故障開始時發電機側最大故障電流均方根植(含直流成分_)各為多少安培。(4分)
#97651
(一)在此運轉情況下之功率角方程式。(5分)
#97652
(二) P點發生故障清除後之功率角方程式。(5分)
#97653
(二)電感值。(2分)
#97655
【題組】(三)鐵心中磁通密度Bc=1.5wb/m2時,儲存於磁路的能量為多少焦耳(J) ? (2分)
#97656
【題組】(四)鐵心中磁通密度Bc=1.5sin377t wb/m2線圈感應電壓為多少?(2分)
#97657
(五)如沒有氣隙且具有相同電感值,鐵心上之線圈匝數應為多少(匝)?(2分)
#97658
相關試卷
114年 - 114 經濟部所屬事業機構_新進職員甄試試題_電機:1 .電力系統 2 .電機機械#133471
114年 · #133471
113年 - 113 經濟部所屬事業機構_新進職員甄試_電機:電機機械、電力系統#133337
113年 · #133337
112年 - 112 經濟部所屬事業機構_新進職員甄試_電機(二):電力系統、電機機械#116953
112年 · #116953
111年 - 111 經濟部所屬事業機構_新進職員甄試試題_電機(二):1.電力系統 2.電機機械#111370
111年 · #111370
110年 - 110 經濟部所屬事業機構_新進職員甄試_電機(二):1.電力系統 2.電機機械#103694
110年 · #103694
107年 - 107 臺灣菸酒股份有限公司_從業職員及從業評價職位人員甄試_從業職員(第3職等人員【一】)-電機空調消防:電機機械與電力系統#72790
107年 · #72790
106年 - 106 經濟部所屬事業機構_新進職員甄試_電機(甲):1.電力系統 2.電機機械#70463
106年 · #70463
105年 - 105 經濟部所屬事業機構_新進職員甄試_電機(甲):1.電力系統 2.電機機械#60301
105年 · #60301
104年 - 104 經濟部所屬事業機構_新進職員甄試_電機(甲):1.電力系統 2.電機機械#60434
104年 · #60434
103年 - 103 經濟部所屬事業機構_新進職員甄試_電機(甲):1.電力系統 2.電機機械#63874
103年 · #63874