題組內容
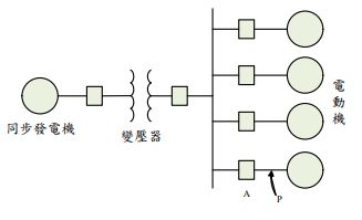
二、一鋼鐵工廠有一50 MVA、13.8 kV、60 Hz 三相同步發電機,
標么,經由一50 MVA、13.8/6.9 kV,漏磁電抗為0.1標么之變壓器,連接至 4台額定與型號相同的電動機,每一電動機之次暫態電抗
標么, 其額定值為5 MVA 與6.9 kV,如下圖所示。假設於 P 點發生三相短路故 障,且故障時的線電壓為6.9 kV,共同伏安基準值為50 MVA,試求:
二、一鋼鐵工廠有一50 MVA、13.8 kV、60 Hz 三相同步發電機,
標么,經由一50 MVA、13.8/6.9 kV,漏磁電抗為0.1標么之變壓器,連接至 4台額定與型號相同的電動機,每一電動機之次暫態電抗
標么, 其額定值為5 MVA 與6.9 kV,如下圖所示。假設於 P 點發生三相短路故 障,且故障時的線電壓為6.9 kV,共同伏安基準值為50 MVA,試求: