阿摩線上測驗
登入
首頁
>
醫用電子學
>
111年 - 111 高等考試_三級_醫學工程:醫用電子學#109786
> 申論題
題組內容
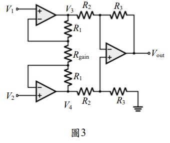
五、下圖 3 是個典型的醫用儀表放大器電路:
(二)請推導輸出電壓
和差動輸入(V
2
- V
1
)的關係。(5 分)
相關申論題
(三)請說明在此使用三個運算放大器相較於只用一個運算放大器的優點 (至少列出兩個主要的優點)。(5 分)
#470809
(一)試由附圖中下半部,由上到下的 6 個部分,依次分別說明每個部分最可能是由大氣中的那種氣體成分所造成?
#470810
(二)試依次分別說明,由上到下的 6 個部分,這些不同氣體成分對於圖中特定光譜波段輻射的吸收與散射作用,分別是透過那些物理機制所造成的?
#470811
二、大氣層頂太陽輻射在天頂角為 0°時的輻射通量密度(flux density)為 1368 ,假設太陽輻射是各向同性的(isotropic) ,試估計其輻射強度 (intensity)。註:太陽的半徑為 7.0 × 108 m,太陽與地球的距離為 1.5 × m。
#470812
三、試由輻射傳遞吸收、散射原理說明在環境起霧時及下雨時,即使眼前同樣都有數目眾多的小水滴,但是下雨時的能見度往往比起霧時好,亦即可以看得比較遠。
#470813
四、(一)如下圖,有兩個等重的空氣塊,第一個空氣塊的溫度與相對濕度分別為 32℃與 95%,而第二個空氣塊的溫度與相對濕度分別為 4℃與 95%,假設兩個空氣塊混合過程的壓力保持在 1000 hPa,當兩個空氣塊完全混合後,發現有霧形成,試以所附的飽和水氣壓隨氣溫變化的示意圖,標示出混合後空氣塊的預期位置,並計算混合後空氣塊的溫度與凝結出的液態水量(計算時先假設凝結出液態水量的潛熱釋放,尚未透過等壓加熱過程使混合後空氣塊的溫度上升) 。註:乾空氣氣體常數 = 287.04J。水氣氣體常數 = 461.50 。
#470814
(三)假設凝結出液態水量的潛熱釋放,透過等壓加熱過程使混合後空氣塊的溫度上升,試以所附的飽和水氣壓隨氣溫變化之示意圖,標示出混合空氣塊最終的溫度位置,並討論此時真正凝結出的液態水量與(一)所 估計的可能差別。
#470815
五、(一)請說明為什麼大氣中有一些雲的內部往往可以有過冷水(supercooled water)的存在?通常溫度要到攝氏零下幾度才比較不會有過冷水?
#470816
(一)試說明韋恩位移定律的意義。
#470817
(二)討論太陽與地球輻射的最大放射(emission)波長範圍。
#470818
相關試卷
112年 - 112 高等考試_三級_醫學工程:醫用電子學#115543
112年 · #115543
111年 - 111 高等考試_三級_醫學工程:醫用電子學#109786
111年 · #109786
109年 - 109 高等考試_三級_醫學工程:醫用電子學#88605
109年 · #88605
106年 - 106 高等考試_三級_醫學工程:醫用電子學#63322
106年 · #63322
104年 - 104 公務升官等考試_薦任_醫學工程:醫用電子學#39661
104年 · #39661
104年 - 104 高等考試_三級_醫學工程:醫用電子學#39587
104年 · #39587
103年 - 103 高等考試_三級_醫學工程:醫用電子學#39830
103年 · #39830
102年 - 102 公務升官等考試_薦任_醫學工程:醫用電子學#39951
102年 · #39951
102年 - 102 高等考試_三級_醫學工程:醫用電子學#39864
102年 · #39864
100年 - 100 公務升官等考試_薦任_醫學工程:醫用電子學#40113
100年 · #40113