題組內容
第二題【25 分】
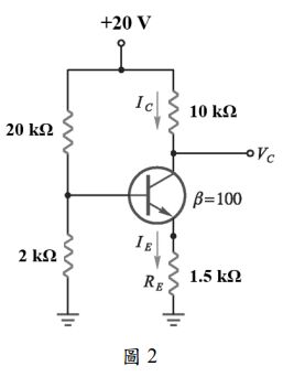
圖 2 所示的電晶體電路,採用分壓式偏壓電路設計,假設矽電晶體之 β =100,請計算 及回答下列的問題:
(四) 此電路是屬於何種放大器電路?(CE, CB, CC 的哪一種?) (5 分)
私人筆記 (共 1 筆)
黃良友
私人筆記 #7643709
但較常見的是交流輸入vi在B, 交流輸出...
(共 100 字,隱藏中)
前往觀看