阿摩線上測驗 登入

申論題資訊

試卷:98年 - 98 經濟部所屬事業機構_新進職員甄試試題_土木:1.土壤力學2.鋼筋混凝土學與設計#136996
科目:國營事業◆1.土壤力學 2.結構力學 3.鋼筋混凝土學及設計
年份:98年
排序:14

題組內容

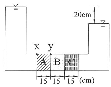
二、如右圖所示,管內有 A、B、C 三種不同土壤, 滲透係數分別為 KA= 10-2cm/sec、kB = 10-3 cm/sec 、kc = 10-4cm/sec,試求:

申論題內容

(1)x、y兩點間水頭差。(4分)