題組內容
(六)將由
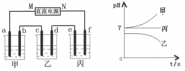
其中任2種離子所組合形成的三種強電解質溶液,分別裝入下圖裝置中的甲、乙、
丙三個燒杯中進行電解,已知電極均為石墨電極,且接通電源,經過一段時間後,測得重量增加的只有乙杯中C電極。若經測定在常溫下,各燒杯中溶液H與电解時間s(秒的關係如右下圖(忽略因氣體溶解帶來的影響)試據此回答下列問題:
(已知原子量:Na=23、Ba=137、Cu=63.5、S=32、CI=35.5)
(六)將由
其中任2種離子所組合形成的三種強電解質溶液,分別裝入下圖裝置中的甲、乙、
丙三個燒杯中進行電解,已知電極均為石墨電極,且接通電源,經過一段時間後,測得重量增加的只有乙杯中C電極。若經測定在常溫下,各燒杯中溶液H與电解時間s(秒的關係如右下圖(忽略因氣體溶解帶來的影響)試據此回答下列問題:
(已知原子量:Na=23、Ba=137、Cu=63.5、S=32、CI=35.5)