阿摩線上測驗 登入

申論題資訊

試卷:105年 - 105-2 臺灣港務股份有限公司從業人員甄試_師級_電機:電機機械與自動控制#83219
科目:港務局◆電機機械與自動控制
年份:105年
排序:0

題組內容

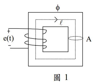
1.圖 1 所示為一個相對導磁係數μr = 2000 的鐵心,假設其有效長度為5e54bc440a2ae.jpg = 100 公分,截面積為 A = 20 平方公分,繞有 100 匝的線圈。若線圈兩端的感應電壓為 e(t) = 169sin(5e54bc683e371.jpg)V
5e54bc75c258f.jpg

申論題內容

(b)請問磁通密度之頻率為幾 Hz?