題組內容
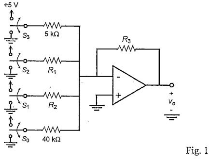
1. Figure 1 shows an op-amp circuit for 4-bit digital-to-analog converter (DAC), which can convert a 4-bit digital word a3a2a1a0 to an analog output. The valuc of each bit is represented by a corresponding switch. That is, if ao is I then switch So connects to the +5-V power supply, while if a0 is 0 then switch S0 connects to ground.