阿摩線上測驗
登入
首頁
>
電機機械
>
105年 - 105年高等三級暨普通考高考三級電機機械 #54306
> 申論題
題組內容
一、
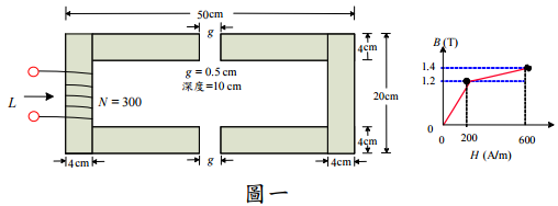
⑴有一磁路及其有關尺寸如圖一(左)所示,其鐵心之理想化 B-H 特性曲線示於圖 一 ( 右 ) 線 圈 匝 數 N=300 , 磁 路 之 磁 通 密 度 為 B=1.4(T) , 自 由 空 間 導 磁 率 , μ
0
= 4π × 10
−7
(H/m) ,求:相對導磁係數 μ r 及此線圈之電感值 L。 (10 分)
相關申論題
⑴有一 300 V, 60 A, 1200 rpm 直流串激馬達,如圖二所示,電樞電阻 Ra = 0.2 Ω ,串 激場繞組電阻 Rsf = 0.2 Ω, 忽略電樞反應及馬達之旋轉損失 當分流電阻 Rd = 0.1 Ω 。 接上後,馬達之產生轉矩變為原有之兩倍,求 Rd = 0.1 Ω 接上後之電樞電流、轉 速 n(或 ω r )及轉換效率。(15 分)
#201185
⑵將直流串激馬達施以交流電,其電磁產生轉矩特性為何?(5 分)
#201186
⑴有一單相變壓器 10 kVA, 2200/220 V, 60 Hz,其最大效率 η max = 0.9715發生在功因 cos θ = 1 及 68.2% 額定負載下,求:(a)鐵損 Pc;(b)額定負載下之銅損 Pcu;(c)於 功因 cos θ = 0.6 落後及 75% 額定負載下之效率。 (14 分)
#201187
⑵請敘述圖三所示之變壓器於開關 SW 投入加壓以及開關 SW 打開除壓時之暫態產 生情形。 (6分)
#201188
⑴滿載轉差率。(2 分)
#201189
⑵啟動電流及啟動轉矩。(8分)
#201190
⑶滿載下之轉矩及效率。 (8分)
#201191
⑷產生最大轉矩下之轉差率 sTmax 及轉矩 Tmax 。 (6分)
#201192
⑴此發電機之線電流及功率因數。 (10 分)
#201193
⑵此發電機之磁化電壓 E f ∠δ f 。(7 分)
#201194
相關試卷
115年 - 115 關務特種考試_三等_電機工程(選試英文):電機機械#138915
115年 · #138915
114年 - 114 台灣自來水股份有限公司_評價職位人員甄試試題_技術士操作類-甲(機電)、技術士操作類-甲(限具中級以上電氣技術人員資格報考)、技術士操作類-甲(機電)(限原住民族報考):電機(工)機械#139521
114年 · #139521
114年 - 114 地方政府公務特種考試_三等_電力工程:電機機械#134760
114年 · #134760
114年 - 114 專技高考_電機工程技師:電機機械#133717
114年 · #133717
114年 - 114 關務升官等考試、交通事業郵政升資考試_薦任、員級晉高員級_電力工程、技術類(選試電機機械)—關務、郵政:電機機械#133262
114年 · #133262
114年 - 114 交通事業郵政升資考試_佐級晉員級_技術類(選試電機機械概要)—郵政:電機機械概要#133211
114年 · #133211
114年 - 114 高等考試_二級_電力工程:電機機械#131612
114年 · #131612
114年 - 114 高等考試_三級_電力工程:電機機械#128777
114年 · #128777
114年 - 114 關務特種考試_三等_電機工程(選試英文):電機機械#126668
114年 · #126668
113年 - 113-2 國營臺灣鐵路股份有限公司_從業人員甄試_第8階-助理工程師-機械 第8階-助理工程師-電機:電機機械#137140
113年 · #137140