題組內容
三、有一單相 25 kVA,440/220 V,60 Hz 變壓器,其等效電路如下圖所示: 
經開路與短路測試,以標么(per unit)值分別記錄其測試電壓、電流與功率如下:
⑵令一次側為高壓側,二次側為低壓側,此單相變壓器之鐵心電阻
與電抗
各為若干歐姆(Ω)?(5 分)
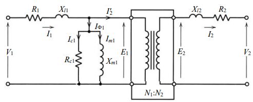
三、有一單相 25 kVA,440/220 V,60 Hz 變壓器,其等效電路如下圖所示: 
經開路與短路測試,以標么(per unit)值分別記錄其測試電壓、電流與功率如下:
⑵令一次側為高壓側,二次側為低壓側,此單相變壓器之鐵心電阻
與電抗
各為若干歐姆(Ω)?(5 分)