阿摩線上測驗
登入
首頁
>
靜力學概要與材料力學概要
>
100年 - 100 地方政府特種考試_四等_土木工程:靜力學概要與材料力學概要#27238
> 申論題
題組內容
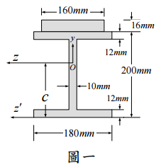
一、圖一中,I 型截面蓋覆一層 ×16160 mmmm 的覆蓋板(cover plate)。圖中的 z 軸為通 過全截面形心之形心軸。
⑵求此截面對z軸之慣性矩I
z
。(10 分)
相關申論題
⑴ z 軸到下緣之距離 c=?(10 分)
#47733
⑶求此截面對z'之慣性矩Iz' 。(5 分)
#47735
⑴求 A 點及 E 點的反力。(15 分)
#47736
⑵求 AF 桿,FC 桿,CG 桿,及 GE 桿之拉力。(10 分)
#47737
四、如圖示之托架,力量 F1 = 70 N , F2 = 30 N 分別作用於 B,D 兩點,求此力系之合力向量 ,及對 O 點之合力矩向量。(25 分)
#505350
三、如圖示,垂直桿 ABC 為非等截面。AB 段:長度 L1 ,截面積 A1 ,楊氏模數為 E ;BC 段:長度 L2 ,截面積 A2 ,楊氏模數為 E 。水平桿 BDE 為剛性桿。外力 P1 及 P2 分別作用於 C 點及 E 點。求:B 點垂直方向位移, C 點垂直方向位移,E 點垂直方向位移。(25 分)
#505349
二、重為W 之物體放在傾斜θ角之斜面上,如圖所示。物體與斜面間的最大靜摩擦角為,且 > q ,則使物體產生臨界運動(impending motion) 之最小水平力 Q = ? (25 分)
#505348
一、如圖之截面,求此截面對 x 軸、 y 軸之面積慣性矩,及面積慣性積。(25 分)
#505347
四、兩 種分別為 圓形( 直徑 D)及方 形(邊 長 B)的 均 質 彈性 材料 斷 面 (如圖 4 所示) 。若兩種斷面承受相同之彎矩,且其最大彎曲應力相同, 則圓形斷面直徑 D 與方形斷面邊長 B 之關係為何?又若兩種斷面承受 相同之剪力,且其最大剪應力相同,則 D 與 B 之關係為何?(25 分)
#480984
三、一邊長 40 cm,厚度為 2 cm 之方形鋼管短柱,內部充填混凝土(如 圖 3 所示)。設鋼管彈性模數 Es = 2.0×106 kgf/cm2,混凝土彈性模數 Ec = 3.5×105 kgf/cm2。現該柱承受一無偏心之軸向壓力 P = 400 tf,試分 別求鋼管及混凝土之平均軸向應力。(25 分)
#480983
相關試卷
112年 - 112 地方政府特種考試_四等_土木工程:靜力學概要與材料力學概要#118356
112年 · #118356
111年 - 111 地方政府特種考試_四等_土木工程:靜力學概要與材料力學概要#112293
111年 · #112293
110年 - 110 地方政府特種考試_四等_土木工程:靜力學概要與材料力學概要#104835
110年 · #104835
109年 - 109 地方政府特種考試_四等_土木工程:靜力學概要與材料力學概要#94612
109年 · #94612
108年 - 108 地方政府特種考試_四等_土木工程:靜力學概要與材料力學概要#81277
108年 · #81277
107年 - 107 地方政府特種考試_四等_土木工程:靜力學概要與材料力學概要#73394
107年 · #73394
106年 - 106 地方政府特種考試_四等_土木工程:靜力學概要與材料力學概要#66825
106年 · #66825
105年 - 105 地方政府特種考試_四等_土木工程:靜力學概要與材料力學概要#58621
105年 · #58621
104年 - 104 地方政府特種考試_四等_土木工程:靜力學概要與材料力學概要#35399
104年 · #35399
103年 - 103 地方政府特種考試_四等_土木工程:靜力學概要與材料力學概要#31177
103年 · #31177