阿摩線上測驗
登入
首頁
>
輸配電學
>
95年 - 095年高等三級暨普通電力工程(普考)#38297
> 申論題
題組內容
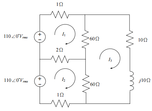
四、某室內配電為 110Vrms 單相三線系統,其連接方式如下圖所示,若已知線路與所連 接負載阻抗如圖:(每小題 10 分,共 20 分)
⑵試求其中性線電流為何?
相關申論題
五、從電力工程角度而言,試舉三種節能技術並說明之?(20 分)
#112683
⑴證明在此故障下正相序電流 I1, 等於負相序電流 I2,方向相反。(10 分)
#112684
⑵導出故障電流 If為何?(10 分)
#112685
⑶繪出相對相短路故障等效電路圖。(5 分)
#112686
⑴三相四線發電機接線如下圖所示,試繪出在圖中保護區內局部接地故障電驛 (Restricted Earth Fault Relay)接線圖,並解說為何接地故障發生於保護區內 則電驛動作,故障發生於非保護區內則電驛不動作。(15 分)
#112687
⑵過電流與接地故障可整合為同一電驛,此種電驛適合保護那一種電力系統,並繪 圖說明其動作原理。(10 分)
#112688
⑴無損失傳輸線(5 分)
#112689
⑵低損失傳輸線(5 分)
#112690
⑶無失真傳輸線(5 分)
#112691
⑷有一個無失真傳輸線,特性電阻 RC為 50Ω,衰減常數α =1.15×10-3Np‧m -1,電容 C=0.1pF‧m -1,求傳導波的波速及沿著傳輸線 z 方向,電壓在 1 公里及 5 公里之 衰減量百分比(%)為多少?(10 分)
#112692
相關試卷
114年 - 114 地方政府公務特種考試_四等_電力工程:輸配電學概要#134797
114年 · #134797
114年 - 114 普通考試_電力工程:輸配電學概要#128759
114年 · #128759
113年 - 113 地方政府公務特種考試_四等_電力工程:輸配電學概要#124495
113年 · #124495
113年 - 113 普通考試_電力工程:輸配電學概要#121395
113年 · #121395
112年 - 112 地方政府特種考試_四等_電力工程:輸配電學概要#118361
112年 · #118361
112年 - 112 普通考試_電力工程:輸配電學概要#115762
112年 · #115762
112年 - 112 鐵路特種考試_員級_電力工程:輸配電學概要#114947
112年 · #114947
111年 - 111 地方政府特種考試_四等_電力工程:輸配電學概要#112369
111年 · #112369
111年 - 111 中華郵政股份有限公司_職階人員資產營運及工程類科甄試_專業職一-電子工程:輸配電學概要#111690
111年 · #111690
111年 - 111 中華郵政股份有限公司_職階人員資產營運及工程類科甄試試題_專業職(一)/電力工程:輸配電學概要#111521
111年 · #111521