阿摩線上測驗
登入
首頁
>
電機機械
>
104年 - 104年高等三級暨普通考高考三級_電力工程#25104
> 申論題
題組內容
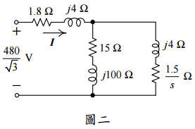
二、一部 480 V(線電壓)、四極、Y 接、60 Hz、額定輸出 10 kW 之三相感應電動機,其每相等效電路及參數如圖二所示。當此電動機以外力帶動,以 1900 rpm 高於同步轉速運轉,即運轉於發電機模式(generator mode)時,
⑷此感應發電機從電源吸收的三相無效功率。(5 分)
相關申論題
⑴試求該繞組的電感值 L。(5 分)
#34344
⑵若繞組通以一直流電流i = 5 A ,則氣隙中儲存的磁能為何?(10 分)
#34345
⑴計算轉差率 s 之值。(5 分)
#34346
⑵計算線電流 I(大小及相角)。(10 分)
#34347
⑶此感應發電機送入電源的三相有效功率。(5 分)
#34348
⑴計算該電動機之電樞電流。
#34350
⑵計算該電動機之轉速為原轉速的百分比。
#34351
⑴繪出該變壓器低壓側之等效電路,並標註所有電路元件之阻抗歐姆值。
#34352
⑵當此變壓器供應額定電壓、功因 0.8 落後的滿載電流時,其效率為何?
#34353
⑴計算發電機的功率角(power angle)δ 。
#34354
相關試卷
115年 - 115 關務特種考試_三等_電機工程(選試英文):電機機械#138915
115年 · #138915
114年 - 114 台灣自來水股份有限公司_評價職位人員甄試試題_技術士操作類-甲(機電)、技術士操作類-甲(限具中級以上電氣技術人員資格報考)、技術士操作類-甲(機電)(限原住民族報考):電機(工)機械#139521
114年 · #139521
114年 - 114 地方政府公務特種考試_三等_電力工程:電機機械#134760
114年 · #134760
114年 - 114 專技高考_電機工程技師:電機機械#133717
114年 · #133717
114年 - 114 關務升官等考試、交通事業郵政升資考試_薦任、員級晉高員級_電力工程、技術類(選試電機機械)—關務、郵政:電機機械#133262
114年 · #133262
114年 - 114 交通事業郵政升資考試_佐級晉員級_技術類(選試電機機械概要)—郵政:電機機械概要#133211
114年 · #133211
114年 - 114 高等考試_二級_電力工程:電機機械#131612
114年 · #131612
114年 - 114 高等考試_三級_電力工程:電機機械#128777
114年 · #128777
114年 - 114 關務特種考試_三等_電機工程(選試英文):電機機械#126668
114年 · #126668
113年 - 113-2 國營臺灣鐵路股份有限公司_從業人員甄試_第8階-助理工程師-機械 第8階-助理工程師-電機:電機機械#137140
113年 · #137140