題組內容
第二題:
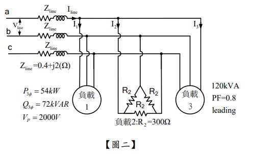
某用戶共有三個負載,此用戶負載經由饋線(feeder)連接至三相平衡電源,如【圖二】 所示。圖中饋線的阻抗
為 0.4+j2Ω,負載 1 為電感性負載,其有效功率爲 54 kW、無效功率爲 72 kVAR;負載 2 爲△接的電阻性負載、其每相電阻R2爲 300Ω;負載 3 之視在功率 爲 120 kVA、功率因數為 0.8 超前。當負載端之線至中性點電壓
爲 2000 V 時,請回答下 列問題: 註:cos36.87° = 0.8,sin36.87° = 0.6,cos53.13° = 0.6,sin53.13° = 0.8, cos2.55° = 0.999, sin2.55° = 0.0445,cos32.55° = 0.843,sin32.55° = 0.538】