題組內容
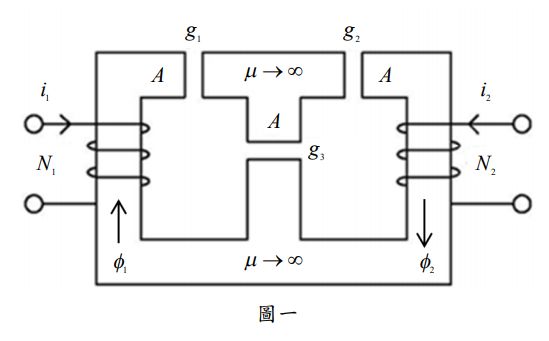
一、圖一中參數如下: N1= 100匝、 N2= 200匝、 g1= g2=1 mm、 g3= 2 mm, i1= 1 A、 i2 = 2 A、
、鐵心材料的導磁係數μ接近無窮 大,磁路截面積 A為 200 mm2 。假設忽略漏磁通與邊緣磁通,計算:
一、圖一中參數如下: N1= 100匝、 N2= 200匝、 g1= g2=1 mm、 g3= 2 mm, i1= 1 A、 i2 = 2 A、
、鐵心材料的導磁係數μ接近無窮 大,磁路截面積 A為 200 mm2 。假設忽略漏磁通與邊緣磁通,計算: