題組內容
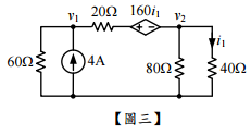
題目三:
如【圖三】所示之電路,試求:

(四)相依電壓源之功率為何?【5 分】
詳解 (共 1 筆)
詳解
135W