阿摩線上測驗
登入
首頁
>
電機機械
>
112年 - 112 關務特種考試_三等_電機工程:電機機械#113951
> 申論題
題組內容
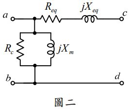
二、一部 20 kVA、 20 kV/480 V、60 Hz 之單相雙繞組配電變壓器,為求其等效電路而實施開路與短路試驗,測定之數據記錄如下:
(一)此變壓器之標么等效電路如圖二所示,以其額定容量及電壓為基準值, 求 R
eq
、X
eq
、R
c
、X
m
之標么值。(12 分)
相關申論題
(一)氣隙中的磁通密度 B。(4 分)
#486379
(二)兩繞組的自感 L1、L2 及繞組間的互感 M。(12 分)
#486380
(三)氣隙中所儲存的磁能。(4 分)
#486381
(二)此變壓器二次側輸出額定電壓,供應功率因數 0.8 落後的額定負載時, 效率及電壓調整率為何?(8 分)
#486383
(一)繪出此電機作為電動機時的等效電路圖。(5 分)
#486384
(二)計算此電動機之電樞電壓 Ea、電樞電流 Ia、及輸出轉矩 τ。(15 分)
#486385
(一)計算此電動機之輸出機械功率。(10 分)
#486386
(二)計算此電動機可緩慢加載而不失步的最大輸出機械功率。(10 分)
#486387
(一)同步轉速ns。
#486388
(二)氣隙功率Pag。
#486389
相關試卷
115年 - 115 關務特種考試_三等_電機工程(選試英文):電機機械#138915
115年 · #138915
114年 - 114 台灣自來水股份有限公司_評價職位人員甄試試題_技術士操作類-甲(機電)、技術士操作類-甲(限具中級以上電氣技術人員資格報考)、技術士操作類-甲(機電)(限原住民族報考):電機(工)機械#139521
114年 · #139521
114年 - 114 地方政府公務特種考試_三等_電力工程:電機機械#134760
114年 · #134760
114年 - 114 專技高考_電機工程技師:電機機械#133717
114年 · #133717
114年 - 114 關務升官等考試、交通事業郵政升資考試_薦任、員級晉高員級_電力工程、技術類(選試電機機械)—關務、郵政:電機機械#133262
114年 · #133262
114年 - 114 交通事業郵政升資考試_佐級晉員級_技術類(選試電機機械概要)—郵政:電機機械概要#133211
114年 · #133211
114年 - 114 高等考試_二級_電力工程:電機機械#131612
114年 · #131612
114年 - 114 高等考試_三級_電力工程:電機機械#128777
114年 · #128777
114年 - 114 關務特種考試_三等_電機工程(選試英文):電機機械#126668
114年 · #126668
113年 - 113-2 國營臺灣鐵路股份有限公司_從業人員甄試_第8階-助理工程師-機械 第8階-助理工程師-電機:電機機械#137140
113年 · #137140