阿摩線上測驗
登入
首頁
>
電子學
>
108年 - 108 專技高考_電子工程技師:電子學#80902
> 申論題
題組內容
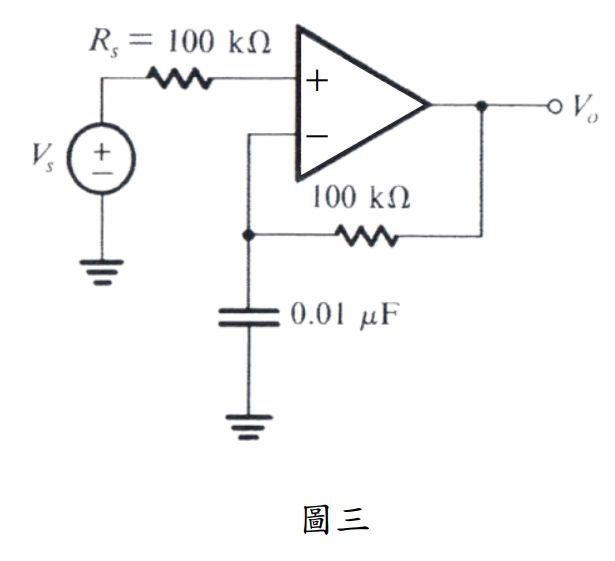
三、圖三電路中的運算放大器開迴路增益105,單極點ω
3db
=10rad/s
(一)畫出迴路增益的波德圖 畫出迴路增益的波德圖。 (4 分)
相關申論題
(一)整流器輸出的峰值電壓為何 整流器輸出的峰值電壓為何? 圖一
#329871
(二)每一週期有多少比例的時間二極體會導通 每一週期有多少比例的時間二極體會導通?
#329872
(三)跨過負載的平均電壓為多少 跨過負載的平均電壓為多少?
#329873
(四)負載的平均電流為多少 負載的平均電流為多少?
#329874
(一)求每個電晶體的直流集極電流和集極電壓 求每個電晶體的直流集極電流和集極電壓。(3 分) )
#329875
(二)忽略 ro1 和 ro2,畫出整個放大器的小信號等效電路 畫出整個放大器的小信號等效電路 畫出整個放大器的小信號等效電路,並給定所有的元 件值。(4 分)
#329876
(三)求 Rin1 和 νb1/νsig。(33 分)
#329877
(四)求 Rin2 和 νb2/νb1。(44 分)
#329878
(五)求 νo/νb2。(3 分)
#329879
⑹求整體的電壓增益 νo/νsig。 (3 分)
#329880
相關試卷
114年 - 114 地方政府公務特種考試_三等_電力工程、電子工程、電信工程:電子學#134800
114年 · #134800
114年 - 114 地方政府公務特種考試_四等_電力工程、電子工程、電信工程:電子學概要#134742
114年 · #134742
114年 - 114 專技高考_電子工程技師:電子學#133712
114年 · #133712
114年 - 114 公務升官等考試_薦任_電力工程、電子工程、電信工程:電子學#133247
114年 · #133247
114年 - 114 原住民族特種考試_四等_電子工程:電子學概要#130947
114年 · #130947
114年 - 114 專技高考_專利師(選試專業英文及電子學)、專利師(選試專業日文及電子學):電子學#130110
114年 · #130110
114年 - 114 普通考試_電力工程、電子工程、電信工程:電子學概要#128790
114年 · #128790
114年 - 114 高等考試_三級_電力工程、電子工程、電信工程:電子學#128768
114年 · #128768
113年 - 113-2 國營臺灣鐵路股份有限公司_從業人員甄試試題_第10階-助理技術員-電務 第10階-助理技術員-電力:電子學概要#137201
113年 · #137201
113年 - 113 臺灣菸酒股份有限公司_從業職員及從業評價職位人員甄試試題_從業職員_電子電機:電子學#133997
113年 · #133997