題組內容
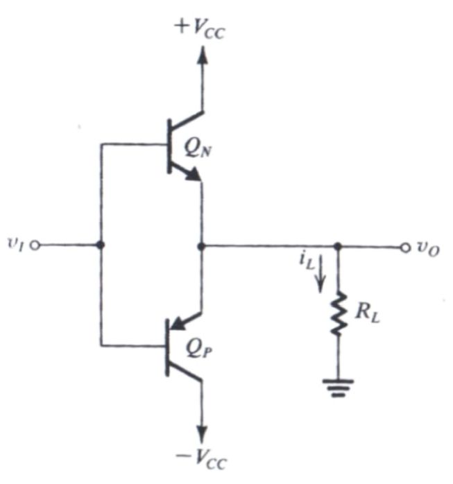
四、設計一個 B 類輸出級(如圖四所示) ( 將 20 W 的平均功率傳遞給 RL = 8 Ω 負載,電源供應器選擇使 電源供應器選擇使VCC 約比輸出電壓峰值高 5 VV。 求所需的供應電壓及由各個電源 ± VCC 所抽取的峰值電流
四、設計一個 B 類輸出級(如圖四所示) ( 將 20 W 的平均功率傳遞給 RL = 8 Ω 負載,電源供應器選擇使 電源供應器選擇使VCC 約比輸出電壓峰值高 5 VV。 求所需的供應電壓及由各個電源 ± VCC 所抽取的峰值電流