阿摩線上測驗
登入
首頁
>
機械原理(機械概論、大意)
>
98年 - 098年普機械原理概要#48001
> 申論題
題組內容
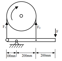
四、如下圖所示之差動帶制動器,若煞車帶兩端與槓桿呈垂直。
⑴推導施力F和緊邊張力F
1
,鬆邊張力F
2
之關係式。(10 分)
相關申論題
一、何謂螺栓自鎖?(5 分)千斤頂之傳動螺旋為方螺紋,其大徑為 30 mm,節距為 5 mm,且為單螺紋。試問螺旋與螺帽間的摩擦係數至少需多大才能達到自鎖的功能? (15 分)
#166231
二、美國標準(ANSI)滾子鏈條之規格以鏈條號碼來表示,例如 25、35、41、40、50、 60、80、100、120、140、160、180、200、240 等鏈條號碼,請說明這些鏈條號碼所 代表之意義。(20 分)
#166232
三、試述齒輪標準化的理由及所涵蓋的主要特徵為何?(20 分)
#166233
⑵推求煞車帶與鼓輪間的摩擦係數,使F=0 時仍有煞車的現象。(10 分) F1 F2 F 100mm 200mm 200mm
#166235
⑴試述管子之功用。(10 分)
#166236
⑵依製造方式和材質之不同可分成那些種類?(10 分)
#166237
四、下圖所示行星齒輪系,若桿 2 輸入、桿 3 輸出,且太陽齒輪、行星齒輪及環齒輪的齒數分別為 16、13 及 44 齒,請計算機構的轉速比ω3/ω2。 (30 分)
#569840
三、使用相同的兩個螺旋彈簧,在線性範圍內承受拉力 F,若並聯使用時總伸長量為δ1,且串聯使用時總伸長量為δ2,請計算伸長量比值δ1/δ2。 (20 分)
#569839
二、請繪出瓦特型運動鏈(Watt Chain)與司蒂芬遜型運動鏈(Stephenson Chain),各舉出一個應用實例,並繪出機構簡圖,以及說明該實例為該類 型運動鏈的第幾型機構。(30 分)
#569838
一、下圖為一機械裝置的運動簡圖(Kinematic Sketch),桿 2 為輸入桿,請計算該裝置的自由度,並說明是否可動的理由。(20 分)
#569837
相關試卷
115年 - 115 關務特種考試_四等_機械工程(選試英文):機械原理概要#138916
115年 · #138916
114年 - 114 關務特種考試_四等_機械工程(選試英文):機械原理概要#126566
114年 · #126566
113年 - 113-2 國營臺灣鐵路股份有限公司_從業人員甄試試題_第10階-助理技術員:機械原理概要#125611
113年 · #125611
113年 - 113 臺灣菸酒股份有限公司_年從業職員及從業評價職位人員甄試試題_從業評價職位人員:機械概論#123491
113年 · #123491
113年 - 113 中央印製廠新進人員甄試試題_印製技術員:機械概論#123139
113年 · #123139
113年 - 113 關務特種考試_四等_機械工程(選試英文):機械原理概要#119482
113年 · #119482
112年 - 112 中央銀行所屬中央印製廠、中央造幣廠_新進人員聯合甄試試題_印製技術員/機械技術員:機械概論#120212
112年 · #120212
112年 - 112 地方政府特種考試_四等_機械工程:機械原理概要#118123
112年 · #118123
112年 - 112 原住民族特種考試_四等_機械工程:機械原理概要#116511
112年 · #116511
112年 - 112 普通考試_機械工程:機械原理概要#115401
112年 · #115401