阿摩線上測驗
登入
首頁
>
電機機械
>
104年 - 104年升官電機機械#41239
> 申論題
題組內容
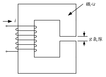
一、電感的磁路結構示意圖如下圖所示,其條件為:鐵心的平均長度 l
c
為 200 mm,鐵心 的截面積 A
c
為 1.0 × 10
-4
m
2
,氣隙 g = 1 mm,線圈匝數為 500 匝。其中,氣隙的導 磁係數 μ
0
= 4π × 10
-7
(H/m),鐵心的相對導磁係數 μ
r
= 600,若忽略漏磁以及氣隙磁 通的邊緣效應,且氣隙的截面積與鐵心相同,試求: (每小題 10 分,共 20 分)
⑵當電流 i = 2 A,計算此系統儲能及鐵心的磁通密度。
相關申論題
⑴此線圈的電感值。
#127883
⑴高壓側為 Y 接線,低壓側為 Y 接線。
#127885
⑵高壓側為 Y 接線,低壓側為 Δ 接線。
#127886
⑶高壓側為 Δ 接線,低壓側為 Y 接線。
#127887
⑷高壓側為 Δ 接線,低壓側為 Δ 接線。
#127888
⑴如何由實驗得開路特性曲線及短路特性曲線?
#127889
⑵說明短路電流比(short circuit ratio, SCR)與同步電抗的關係。
#127890
⑴在額定電壓及頻率時之啟動電流及啟動轉矩。
#127891
⑵轉子側繞組串聯電阻,將轉子的等效電阻提高為原來的 3 倍(R2 = 0.60 Ω) ,計算 此電動機在額定電壓及頻率時的啟動電流及啟動轉矩。
#127892
⑴當轉速為 2000 轉 /分,輸入電壓為 220 V,此電樞電流、電磁功率及電磁轉矩,並 判斷運轉模式為電動機模式或發電機模式。
#127893
相關試卷
115年 - 115 關務特種考試_三等_電機工程(選試英文):電機機械#138915
115年 · #138915
114年 - 114 地方政府公務特種考試_三等_電力工程:電機機械#134760
114年 · #134760
114年 - 114 專技高考_電機工程技師:電機機械#133717
114年 · #133717
114年 - 114 關務升官等考試、交通事業郵政升資考試_薦任、員級晉高員級_電力工程、技術類(選試電機機械)—關務、郵政:電機機械#133262
114年 · #133262
114年 - 114 交通事業郵政升資考試_佐級晉員級_技術類(選試電機機械概要)—郵政:電機機械概要#133211
114年 · #133211
114年 - 114 高等考試_二級_電力工程:電機機械#131612
114年 · #131612
114年 - 114 高等考試_三級_電力工程:電機機械#128777
114年 · #128777
114年 - 114 關務特種考試_三等_電機工程(選試英文):電機機械#126668
114年 · #126668
113年 - 113-2 國營臺灣鐵路股份有限公司_從業人員甄試_第8階-助理工程師-機械 第8階-助理工程師-電機:電機機械#137140
113年 · #137140
113年 - 113 地方政府公務特種考試_三等_電力工程:電機機械#124526
113年 · #124526