阿摩線上測驗
登入
首頁
>
工程熱力學
>
95年 - 95 高等考試_三級_核子工程:工程熱力學#40315
> 申論題
題組內容
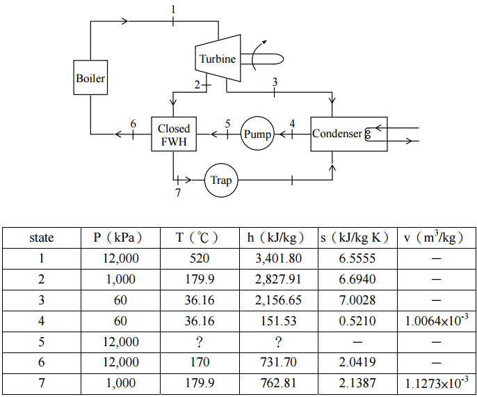
一、下圖所示為一 Rankine Cycle 的示意圖。
⑹以水流經鍋爐時 exergy 增加量為計算基準之 Second Law Efficiency。(5 分) 假設環境溫度為 300 K,壓力為 1 bar。
相關申論題
⑴ Brayton Cycle(5 分)
#123546
⑵ Combined Power Cycle(5 分)
#123547
⑶ Binary vapor power Cycle(5 分)
#123548
⑷ Vapor-compression refrigeration Cycle(5 分)
#123549
三、建在海邊利用 Rankine cycle 發電的電廠在夏天還是冬天時熱污染較嚴重?為什 麼?(10 分)
#123550
⑴操作於 800 K 及 300 K 間的熱機(Heat Engine),自高溫區吸收 100kJ 的熱能, 排放 50kJ 的熱能到低溫區。
#123551
⑵操作於-3°C 及 37°C 間的冷凍機(Refrigerator),輸入功為 50kJ,排放 100kJ 的 熱能到高溫區。
#123552
⑶操作於-23°C 與 27°C 間的熱泵(Heat Pump),自低溫區吸熱 100kJ,排放 150kJ 的熱能到高溫區。
#123553
⑴壓縮機與渦輪機出口溫度與壓力。(5 分)
#123554
⑵ Brayton Cycle 的淨輸出功。(5 分)
#123555
相關試卷
111年 - 111 高等考試_三級_核子工程:工程熱力學#109462
111年 · #109462
108年 - 108 高等考試_三級_核子工程:工程熱力學#78050
108年 · #78050
107年 - 107 高等考試_三級_核子工程:工程熱力學#70989
107年 · #70989
106年 - 106 高等考試_三級_核子工程:工程熱力學#63022
106年 · #63022
105年 - 105 高等考試_三級_核子工程:工程熱力學#54489
105年 · #54489
104年 - 104 高等考試_三級_核子工程:工程熱力學#39589
104年 · #39589
103年 - 103 高等考試_三級_核子工程:工程熱力學#39832
103年 · #39832
102年 - 102 高等考試_三級_核子工程:工程熱力學#39896
102年 · #39896
101年 - 101 高等考試_三級_核子工程:工程熱力學#39742
101年 · #39742
100年 - 100 高等考試_三級_核子工程:工程熱力學#40096
100年 · #40096