阿摩線上測驗
登入
首頁
>
機械原理(機械概論、大意)
> 無年度 - 機械原理-801-900#18253
無年度 - 機械原理-801-900#18253
科目:
機械原理(機械概論、大意) |
選擇題數:
100 |
申論題數:
0
試卷資訊
所屬科目:
機械原理(機械概論、大意)
選擇題 (100)
801.三線的蝸桿與50齒之蝸輪傳動,若蝸輪之周節為15mm,則蝸桿之導程為 (A)5mm (B)15mm (C)30mm (D)45mm。
802.公制齒輪之齒形大小以何者表示 (A)壓力角 (B)徑節 (C)模數 (D)周節。
803.一對正齒輪互相嚙合,若節圓直徑比為5,大輪之齒數為100,則小輪之齒數為 (A)20 (B)50 (C)60 (D)120。
804.內切之兩正齒輪,齒數分別為20與100,徑節為4,則兩輪之中心距離為____吋 (A)5 (B)10 (C)15 (D)20。
805.公制標準齒輪之模數為M,其齒厚為 (A)
(B)πM (C)M (D)2πM。
806.有關漸開線齒輪的敘述,下列何者錯誤? (A)壓力角為20° (B)中心距離些微改變,仍不影響速比 (C)齒形由單一曲線形成 (D)接觸線為一直線。
807.Fellows株狀齒之壓力角為 (A)14.5° (B)15° (C)20° (D)22.5°。
808.一Fellows短齒制齒輪之徑節為4,齒數為48,則其節圓直徑為 (A)9.6吋 (B)12吋 (C)24吋 (D)36吋。
809.下列何種齒輪用於既不平行且不相交之傳動? (A)人字齒輪 (B)冠狀齒輪 (C)斜方齒輪 (D)戟齒輪。
810.全深漸開線正齒輪之外徑為160mm,模數為5mm,則該齒輪之齒數為 (A)28 (B)30 (C)32 (D)34。
811.正齒輪之齒數為T,節圓直徑為D,則周節為 (A)D/T (B)T/D (C)T/πD (D)πD/T。
812.下列何者適合於傳達極高之轉速比? (A)蝸桿與蝸輪 (B)正齒輪 (C)斜齒輪 (D)齒條與小齒輪。
813.有關擺線齒輪的敘述,下列何者錯誤? (A)沒有干涉發生 (B)齒形由兩種曲線構成 (C)中心距離些微改變,仍不影響速比 (D)壓力角隨時改變。
814.一模數為6,齒數為48之正齒輪,其周節為____mm (A)6π (B)8π (C)9π (D)10π。
815.對於同一個齒輪,其模數和徑節數之乘積是多少? (A)25.4 (B)3.14 (C)2.54 (D)1。
816.下列何種機構無法將旋轉運動直接傳遞為往復運動? (A)凸輪 (B)小齒輪與齒條 (C)曲柄滑塊機構 (D)蝸桿與蝸輪。
【已刪除】817.一對齒輪嚙合傳動,下列何項是正確的? (A)齒數多的齒輪其模數較大 (B)齒數少的齒輪其模數較大 (C)節圓直徑愈大其周節愈大 (D)兩個齒輪的作用弧相同。 .
818.模數為5mm,齒數為30的齒輪,其工作深度為____mm (A)5 (B)6 (C)10 (D)30。
819.若要使齒輪傳動時壓力角保持一定,則齒輪曲線應採用 (A)外擺線 (B)內擺線 (C)漸開線 (D)螺旋線。
820.一短齒制之齒輪齒數為40,若其周節為5πmm,則齒高為 (A)15.7mm (B)11.25mm (C)10.79mm (D)9mm。
821.蝸輪與蝸桿減速機使用特性,下列何項不正確? (A)兩軸可不相交也不平行傳動 (B)蝸桿必須為主動件 (C)傳動速比與蝸桿螺旋線數無關 (D)蝸桿可正逆轉傳動,但齒隙須考慮。
822.兩嚙合正齒輪傳動時,下列敘述何者正確? (A)漸進角相等 (B)接觸點必在連心線上 (C)轉速比不固定 (D)節點固定。
823.互相嚙合的兩齒輪,若齒輪A的模數M=4,齒數為30,而齒輪B的節徑D=100mm,則下列敘述何者錯誤? (A)齒輪A的節圓直徑為120mm (B)齒輪B的模數為M=4 (C)齒輪B的齒數為25 (D)齒輪B的周節大於齒輪A的周節。
824.A、B兩外切齒輪,兩軸間之距離為60mm,以A為主動輪,B為被動輪,假設速比NA/NB=2,齒輪之周節Pc=2πmm時,則兩輪之齒數應為 (A)TA=20,TB=40 (B)TA=25,TB=50 (C)TA=35,TB=70 (D)TA=30,TB=60。
825.一正齒輪齒數為60,周節為6πmm,則其節圓半徑為 (A)120mm (B)180mm (C)240mm (D)360mm。
826.若兩嚙合齒輪之齒冠為a,齒根為b,則下列何者錯誤? (A)間隙為b-a (B)背隙為a-b (C)工作深度為2a (D)全齒深為a+b。
827.有一正齒輪其齒數為60,模數為3mm,壓力角為20°及加工預留量為2mm,求齒輪毛胚直徑應為多少? (A)180mm (B)186mm (C)188mm (D)182mm。
828.下列有關漸開線正齒輪與擺線正齒輪的敘述,何者正確? (A)一對嚙合漸開線正齒輪的接觸線為一直線,其壓力角為定值 (B)漸開線齒輪容易潤滑,故輪齒間的磨耗較小 (C)當一對嚙合擺線正齒輪的接觸點與節點重合時,其壓力角為最大 (D)就互換性而言,擺線正齒輪的互換性比漸開線正齒輪高。
829.一正齒輪的齒數為42,節圓直徑為126mm,則該齒輪的模數M與周節Pc各為多少? (A)M=2,Pc=2πmm (B)M=3,Pc=3πmm (C)M=4,Pc=4πmm (D)M=5,Pc=5πmm。
830.一對漸開線正齒輪嚙合傳動,其輪齒自開始接觸至終止,其接觸點永遠落在何處? (A)壓力線上 (B)節點上 (C)節圓上 (D)基圓上。
831.一對漸開線標準正齒輪在組裝時,因尺寸公差使兩軸中心距離改變,下列敘述何者正確? (A)齒頂圓直徑改 (B)齒根圓直徑改變 (C)基圓直徑改變 (D)節圓直徑改變。
832.輪系值大於1之輪系是用來 (A)增速 (B)減速 (C)傳動大馬力 (D)改變運動方向。
833.在輪系中,若要得到較大的扭矩,則其輪系值之絕對值要 (A)大 (B)小 (C)任意值 (D)視情況而定。
834.在一輪系中,除首末兩輪之軸外,其他各軸只有一輪者,稱為 (A)單式輪系 (B)複式輪系 (C)周轉輪系 (D)回歸輪系。
835.一輪系中,有一輪或數輪係繞固定之軸迴轉,其餘各輪復繞本身亦有迴轉運動之軸而迴轉,則此輪系稱為 (A)單式輪系 (B)複式輪系 (C)回歸輪系 (D)周轉輪系。
836.當一輪系之首末兩輪在同一軸上時,此輪系為 (A)單式輪系 (B)複式輪系 (C)周轉輪系 (D)回歸輪系。
837.單式輪系中,惰輪之功用在於 (A)增加輪系值 (B)改變旋轉方向 (C)增加速率 (D)增加傳達動力。
838.在齒輪輪系中,吾人可利用一個何者以改變從動輪之轉向 (A)導輪 (B)壓力輪 (C)惰輪 (D)摩擦輪。
839.如圖所示之輪系,若A輪為100齒,B輪為65齒,C輪為20齒,已知A輪之轉速為30rpm(順時針),試求輪系值?
(A)+0.2 (B)-0.2 (C)+5 (D)-5。
840.有一輪系,由A、B、C、D四個齒輪依序以單式輪系組成,A輪是主動輪,D輪是從動輪,如果A、B、C、D這四個齒輪之齒數比為1:2:3:4,此輪系之輪系值為 (A) - 1/4 (B) 1/4 (C)4 (D)-4。
841.如圖所示之輪系,A輪轉速為120rpm,則C輪轉速應為多少?
(A)240rpm (B)60rpm (C)200rpm (D)480rpm。
842.已知一輪系之輪系值e=-3,若末輪之轉速為順時針方向120rpm,則首輪之轉向及轉速為多少rpm? (A)順時針方向40rpm (B)逆時針方向40rpm (C)順時針方向360rpm (D)逆時針方向360rpm。
843.如圖輪系所示之齒數,若A輪之轉速為逆時針60rpm,則F輪之轉速為
(A)順時針9rpm (B)順時針36rpm (C)順時針400rpm (D)逆時針9rpm。
844.如圖所示之輪系,若輪A之轉速為1200rpm,方向為順時針,則F輪之轉速為
(A)160rpm (B)505rpm (C)200rpm (D)355.6rpm。
845.如圖所示之起重機,於曲柄端施力F=100N,若不計摩擦損失,則可吊起重物W為?
(A)2000N (B)3000N (C)4000N (D)5000N。
846.如圖所示,帶輪A、B、C、D之直徑分別為15、45、20、60cm,若不計滑動損失,且A輪之轉速為1400rpm,則從動輪D之轉速為
(A)456rpm (B)356rpm (C)256rpm (D)156rpm。
847.如圖所示之輪系,若原動輪A之轉速NA=600rpm(逆時針),則F蝸輪之轉速與轉向為?
(A)100rpm,逆 (B)100rpm,順 (C)200rpm,逆 (D)200rpm,順。
848.如圖所示之輪系,若A順時針方向迴轉,轉速為25rpm,其輪系值及C軸的轉速分別為?
(A)+10,50rpm順時針 (B)+10,250rpm順時針 (C)-10,50rpm逆時針 (D)-10,250rpm逆時針。
849.如圖所示之輪系,已知A齒輪為逆時針旋轉300rpm,試求E齒輪之轉速及轉向?
(A)160rpm順時針 (B)160rpm逆時針 (C)240rpm順時針 (D)240rpm逆時針。
850.如圖為一起重機輪系,若圓筒D之直徑為320cm,手柄長R=300cm,則當手柄轉一圈時,環繞於圓筒D之繩所吊重物W移動之距離最接近
(A)60cm (B)63cm (C)66cm (D)69cm。
851.如圖A為主動軸,C為從動軸,若A軸順時針200rpm,則C軸之轉速與轉向為?
(A)1500rpm逆時針 (B)1500rpm順時針 (C)2250rpm順時針 (D)2250rpm逆時針。
852.如圖所示之輪系中A、B、C、D、F各輪齒數分別為16、32、15、30、40,蝸桿E為雙線右旋,若A輪轉速為240rpm,求F輪之轉速?
(A)2rpm (B)3rpm (C)4rpm (D)5rpm。
853.普通車床後列齒輪系為 (A)普通輪系 (B)周轉輪系 (C)回歸輪系 (D)單式輪系。
854.如右圖為一回歸齒輪系,若兩對轉動齒輪模數相同,設T表齒數,則
(A)T
A
+T
C
=T
B
+T
D
(B)T
A
+T
B
=T
C
+T
D
(C)T
A
+T
D
=T
B
+T
C
(D)T
A
/T
C
=T
D
/T
B
855.回歸輪系中,若輪系值為1/12,且所有齒輪徑節相同,則下列何組齒輪配合可以採用?
856.如圖為一車床後列齒輪(回歸齒輪系) TA=40齒、TB=120齒、TC=40齒、TD=120齒,當A輪之轉速為1800rpm時,D輪之轉速為
(A)200rpm (B)250rpm (C)300rpm (D)350rpm。
857.如圖所示之回歸輪系中,各齒輪之模數皆為5,齒輪A、B、C之齒數分別為30、40、15,則齒輪D之齒數為
(A)25 (B)55 (C)60 (D)85。
858.某輪系之輪系值為1/6,若其為回歸輪系,則下列何組齒輪配合可以採用?
859.一回歸輪系之齒數傳動順序依次為A、B、C、D,設T為齒數TA=12、TB=48、TC=15,若D輪轉速為50rpm,設求A輪之轉速為多少rpm? (A)200 (B)400 (C)600 (D)800。
860.在周轉輪系中,某輪之相對角速度,應為其絕對角速度與 (A)旋臂角速度之差 (B)末輪角速度之差 (C)中輪角速度之差 (D)首輪角速度之差。
861.設A及B兩個正齒輪組成之周轉輪系,如圖所示,A輪30齒,B輪10齒,且A輪固定不動,若旋臂m順時針方向每分鐘旋轉10轉,則B輪之轉速為
(A)20rpm (B)30rpm (C)40rpm (D)60rpm。
862.如圖所示之周轉輪系,若輪A轉速為+5,旋臂轉速為-2,則輪B及輪C轉速分別為
(A)N
B
=-10.5,N
C
=+17 (B)N
B
=-10.5,N
C
=+19 (C)N
B
=-12.5,N
C
=+17 (D)N
B
=-12.5,N
C
=+19。
863.如圖所示,A、B、C、D四輪之齒數分別為50、40、60、25,若旋臂m逆時針5轉(繞A輪之軸心轉),A輪順時針3轉時,則C、D兩輪之轉數與轉向各為
864.如圖為一周轉輪系,輪4向上迴轉20圈,輪5向下迴轉10圈,試求輪A的轉數及轉向?
(A)4轉,向上 (B)4轉,向下 (C)6轉,向上 (D)6轉,向下。
865.如圖所示之周轉輪系,A輪為固定不動之內齒輪,齒數為100齒,B輪為可旋轉之小齒輪,齒數為20齒,已知輪臂M之轉速為逆時針方向10rpm,則小齒輪之轉向及轉速為多少rpm?
(A)逆時針方向50rpm (B)逆時針方向40rpm (C)順時針方向50rpm (D)順時針方向40rpm。
重新載圖
重新載圖
866.如圖所示之周轉輪系,各齒輪齒數分別為Ta=30、Tb=20、Tc=10、Td=90,若Nd=0,而Na=20rpm(順時針),則Nc之轉向及轉速為何?
(A)80rpm順時針 (B)40rpm順時針 (C)40rpm逆時針 (D)50rpm順時針。
867.如圖所示,D(50齒)為一內齒輪,且齒輪B(20齒)和C(10齒)為同軸齒輪,若齒輪A(10齒)之轉速為400rpm,齒輪D為-51rpm,則旋臂M轉速及齒輪B之轉速分別為若干rpm?
(A)-10,-215 (B)-10,-225 (C)+10,-215 (D)+10,-225。
868.如圖所示之周轉輪系,若D輪轉速為85rpm,而A輪固定不動,則旋臂m之轉速與轉向為何?
(A)50rpm轉向與D相同 (B)50rpm轉向與D相反 (C)25rpm轉向與D相同 (D)25rpm轉向與D相反。
869.一輪系值e=30之齒輪輪系,設每輪齒數不得少於12,則此輪系之各齒輪齒數配合應為
(D)以上皆非。
870.下圖為一將動力由軸1傳至軸4之齒輪系,請問它是一
(A)變換轉向機構 (B)變換轉速機構 (C)變換進給機構 (D)以上皆非。
871.在太陽行星齒輪裝置中,活塞每往復一次,則曲柄迴轉 (A)1次 (B)2次 (C)3次 (D)4次。
872.汽車的差速齒輪裝置係採用 (A)普通輪系 (B)斜齒輪周轉輪系 (C)單式輪系 (D)複式輪系。
873.汽車差速機構中,左右兩軸轉速之和等於大齒盤轉速之 (A)1倍 (B)2倍 (C)3倍 (D)4倍。
874.兩個以上之摩擦輪、齒輪或帶輪等組合,能將一軸上之動力傳遞至另一軸者,此種組合稱為 (A)輪系 (B)機構 (C)對偶 (D)輪組。
875.在周轉輪系中,所謂某輪之絕對角速度,係指該輪對於何者之角速度 (A)原動軸 (B)旋臂 (C)從動軸 (D)固定軸。
876.在複式輪系中,中間軸如為偶數時,則首輪與末輪的轉向 (A)相同 (B)相反 (C)無關 (D)視情況而定。
877.輪系值小於1的輪系是用來 (A)增加轉速 (B)減少功率損失 (C)降低轉速,增加扭矩 (D)提高效率。
878.如圖所示之輪系組合,其輪系值為
(A)2 (B)4 (C)6 (D)8。
879.如圖所示之輪系組合,若A軸順時針60rpm,則C軸與B軸的轉速分別為____rpm
(A)480,100 (B)600,100 (C)500,250 (D)240,100。
880.如圖所示之周轉輪系,若輪2轉速為+6,旋臂轉速為-4,試求輪5、輪4之轉速分別為若干(旋臂繞輪2軸心旋轉)?
(A)+10,-1.5 (B)-19.5,+1.5 (C)+26,-16.5 (D)-29.5,-2.5。
881.如圖所示之行星齒輪系,A代表臂桿,S為太陽齒輪,P為行星齒輪,R為環齒輪,齒數分別為TS=72,TP=18,TR=108,若S之轉速為600rpm順時針,A之轉速為300rpm順時針,試求環齒輪R之轉速與轉向
(A)150rpm,逆時針 (B)200rpm順時針 (C)100rpm,順時針 (D)200rpm,逆時針。
882.如圖所示之斜齒輪周轉輪系,若輪7順時針32rpm,輪2逆時針10rpm,則輪1轉速為若干rpm?
(A)4 (B)-4 (C)8 (D)-8。
883.複式輪系之輪系值為 (A)首輪迴轉速對末輪迴轉速之比 (B)首輪齒數對末輪齒數之比 (C)末輪齒數對首輪齒數之比 (D)末輪迴轉數對首輪迴轉速之比。
884.單式斜齒輪周轉輪系,如首、末兩個斜齒輪之齒數相等,則輪系值必為 (A)+1 (B)-1 (C)+2 (D)-2。
885.在一輪系中,除首末輪之軸外,其他各軸只有一輪者,稱為 (A)單式輪系 (B)複式輪系 (C)回歸輪系 (D)周轉輪系。
886.設計輪系時,單式輪系之輪系值宜為
887.如圖所示之輪系,其輪系值為
(A)1/2 (B)2 (C)3 (D)1/3
888.如圖所示之輪系,若A軸逆時針120rpm,則C軸轉速與轉向為
(A)40rpm,順時針 (B)40rpm,逆時針 (C)240rpm,順時針 (D)360rpm,逆時針。
889.如圖所示,齒輪B有48齒,齒輪C有36齒,並由旋臂A連成一周轉輪系,若B輪轉速為逆時針5rpm,而旋臂轉速為順時針1rpm,則齒輪C之轉速與轉向為
(A)9rpm,順時針 (B)9rpm,逆時針 (C)7rpm,順時針 (D)7rpm,逆時針。
890.三重滑車之輪系為何者之應用 (A)普通輪系 (B)周轉輪系 (C)單式輪系 (D)複式輪系。
891.若回歸輪系之輪系值為1/6 ,則下列何種齒輪配合可以採用?
892.在周轉輪系中某輪之相對角速度為其絕對角速度與旋臂角速度之 (A)和 (B)積 (C)差 (D)比。
893.某輪系之首輪迴轉一轉,末輪迴轉23轉,且迴轉方向相同,齒輪齒數不小於12,不大於70,則此輪系之齒輪組合為
894.為使汽車在彎路中,左右兩輪之轉速不同,應採用 (A)複式輪系 (B)回歸輪系 (C)太陽星輪系 (D)斜齒輪差速輪系。
895.如圖所示,A為原動件,其轉速為50rpm,則從動件B之轉速為
(A)160rpm (B)200rpm (C)800rpm (D)1600rpm。
896.如圖所示之皮帶輪系中,其直徑A、B、C、D輪分別為15、25、20、45cm,若NA=150rpm順時針,無滑動損失時,則ND為
(A)40rpm順時針 (B)100rpm順時針 (C)300rpm順時針 (D)40rpm逆時針。
897.如圖所示之輪系,A輪齒數為20齒,B輪齒數為40齒、內齒輪C之齒數為100齒,若A輪轉速為順時針方向400rpm,則C輪之轉向及轉速為多少rpm?
(A)順時針方向40rpm (B)逆時針方向40rpm (C)逆時針方向80rpm (D)順時針方向80rpm。
898.有關輪系之輪系值與惰輪,下列敘述何者不正確? (A)輪系值大於1時,表示末輪轉速大於首輪轉速 (B)惰輪可改變末輪之轉向,但不改變輪系值之絕對值 (C)兩軸距離較遠時,可使用惰輪,避免使用大齒輪 (D)由於輪系的功用是加速或減速,故輪系值不可能等於1。
899.一起重機輪系,如圖所示,圓筒直徑D=320mm,手柄半徑R=320mm,若F為20N,則能舉起重物W為若干N?(不計摩擦損失)
(A)160 (B)320 (C)640 (D)800。
900.用來加速的輪系,其輪系值之絕對值必 (A)大於1 (B)等於1 (C)小於1 (D)不一定。
申論題 (0)
相關試卷
115年 - 115 關務特種考試_四等_機械工程(選試英文):機械原理概要#138916
115年 · #138916
114年 - 114 關務特種考試_四等_機械工程(選試英文):機械原理概要#126566
114年 · #126566
113年 - 113-2 國營臺灣鐵路股份有限公司_從業人員甄試試題_第10階-助理技術員:機械原理概要#125611
113年 · #125611
113年 - 113 臺灣菸酒股份有限公司_年從業職員及從業評價職位人員甄試試題_從業評價職位人員:機械概論#123491
113年 · #123491
113年 - 113 中央印製廠新進人員甄試試題_印製技術員:機械概論#123139
113年 · #123139
113年 - 113 關務特種考試_四等_機械工程(選試英文):機械原理概要#119482
113年 · #119482
112年 - 112 中央銀行所屬中央印製廠、中央造幣廠_新進人員聯合甄試試題_印製技術員/機械技術員:機械概論#120212
112年 · #120212
112年 - 112 地方政府特種考試_四等_機械工程:機械原理概要#118123
112年 · #118123
112年 - 112 原住民族特種考試_四等_機械工程:機械原理概要#116511
112年 · #116511
112年 - 112 普通考試_機械工程:機械原理概要#115401
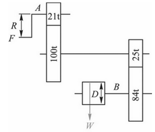
112年 · #115401