阿摩線上測驗
登入
首頁
>
教甄◆電腦科專業
> 100年 - 國立楊梅高中100年教甄資訊科試題及解答#46641
100年 - 國立楊梅高中100年教甄資訊科試題及解答#46641
科目:
教甄◆電腦科專業 |
年份:
100年 |
選擇題數:
10 |
申論題數:
0
試卷資訊
所屬科目:
教甄◆電腦科專業
選擇題 (10)
1. 有 A、B 兩線,其電阻及電阻溫度係數各為 A(5Ω,0.004)及 B(10Ω,0.005),今將兩線串聯,則合成之電阻溫度係數 為 (A)0.0047 (B)0.005 (C)0.0048 (D)0.004
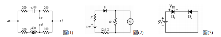
2. 如圖(1)所示電路,在 a、b 兩端加入 100V 之正弦電壓,則 c、d 兩點電壓為 (A)20 (B)44.7 (C)46.5 (D)50 伏特
3. 如圖(2)所示,實驗電路伏特計所測量電壓為 3V,則 R 值應接近多少?(註:伏特計內阻為 20kΩ;D 為矽二極體) (A)8Ω (B)1Ω (C)2Ω (D)4Ω
4. 兩個二極體串接如圖(3)所示電路,二極體 D1 之電壓 VD1 為多少?(ηV
T
= 0.052V,ln2 = 0.693) (A)0 (B)0.036 (C)0.12 (D)0.7 V。
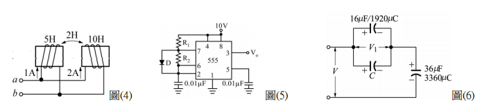
5. 如圖(4)所示,Lab = (A)11 (B)
(C)
(D)
6. 如圖(5)所示之 IC555 電路,D 為理想二極體,在電路能正常工作下,若 R
1
=1.5R
2
,則 V
o
工作週期(duty cycle)約 為何? (A)30 (B)50 (C)60 (D)70 %。
7.
的互補函數為何? (A)
(B)
(C)
(D)
。
8. 如圖(6)所示電容 C 之值為 (A) 8μF (B) 16μF (C) 4μF (D) 12μF
9. 如圖(7)所示,是以多工器執行組合邏輯電路功能之電路,此組合邏輯電路之輸出 f (A, B, C, D)為何(已知 S
2
為最高 位元,S0 為最低位元)? (A)Σ(2, 5, 6, 7, 10, 11, 12, 13) (B) Σ(0, 1, 3, 4, 10, 11, 12, 13) (C) Σ(0, 1, 3, 4, 8, 9, 14) (D) Σ(2, 5, 6, 7, 8, 9, 14)。
10. 如圖(8)之電路其中 R = 1kΩ,+ 5V 代表邏輯 1,0V 代表邏輯 0,SASBSCSD = 1010 時,Vo 為多少?(A) - 2.5 (B) - 3.125 (C)1.25 (D)2.5 V。
申論題 (0)
相關試卷
113年 - 113 金門縣國民小學教師聯合甄選試題:資訊科技專業科目#120867
113年 · #120867
113年 - 113 高雄市市立國民小學_教師聯合甄選:專長類-資訊試卷#120693
113年 · #120693
112年 - 112 新北市國民小學暨幼兒園教師甄選試題:資訊科#118895
112年 · #118895
112年 - 112-1 國立臺東大學附設實驗國民小學教師甄選試題:資訊專業科目#115036
112年 · #115036
112年 - 112 臺北市市立國民中學正式教師聯合甄選:資訊科技(雙語)科#114640
112年 · #114640
112年 - 112 臺北市市立國民中學正式教師聯合甄選:資訊科技科#114633
112年 · #114633
112年 - 112 高雄市市立高級中等學校聯合教師甄選試題:資料處理科#114465
112年 · #114465
112年 - 112-1 國立東華大學附設實驗國民小學教師甄選題目:資訊專業#114445
112年 · #114445
112年 - 112 臺北市市立普通型暨技術型高級中等學校正式教師聯合甄選:資料處理科#114335
112年 · #114335
112年 - 112 新北市公立高級中等學校教師聯合甄選試題:資訊科#114159
112年 · #114159