阿摩線上測驗
登入
首頁
>
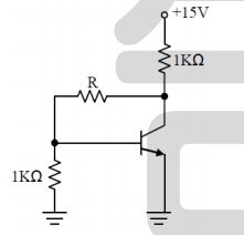
教甄◆電腦科專業
> 100年 - 教育部受託辦理100年國立高中職教師甄選資訊科試題含答案#46627
100年 - 教育部受託辦理100年國立高中職教師甄選資訊科試題含答案#46627
科目:
教甄◆電腦科專業 |
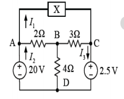
年份:
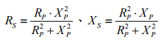
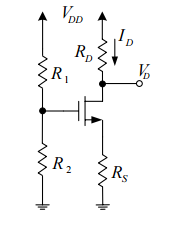
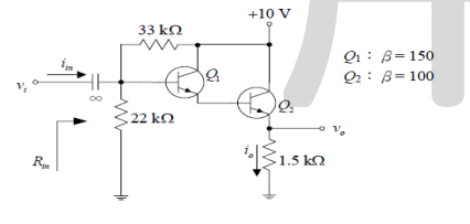
100年 |
選擇題數:
20 |
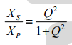
申論題數:
17
試卷資訊
所屬科目:
教甄◆電腦科專業
選擇題 (20)
1.一個色碼電阻的四個色帶依序為藍、紅、黃、金,則此電阻的誤差範圍為何? (A)± 3.1kΩ (B)± 6.2kΩ (C)± 31kΩ (D)± 62kΩ 。
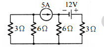
2.如下圖,5A電流源提供之功率為:(A)40W (B)60W (C)80W (D)100W 。
3.如下圖,AB 兩端的電壓在 10
−3
秒內由 0 V 線性上升到 1.5 V,而測量到 3mA 的定電流流過,求電容 (A)4 µ F (B)6 µ F (C)8 µ F (D)10 µ F 。
4.下圖所示,電晶體電路,β=49,V
BE
=0.6V,試求R之值,使VCE=4.4V: (A)R=4.75KΩ (B)R=5.5KΩ (C)R=6.75KΩ (D)R=10.25KΩ 。
5.下圖所示電路,Vz=6V,Pz(max)=144mW,若欲使Zener正常動作,試求RL之範圍: (A) 0.1kΩ ≤ R
L
≤ 0.2kΩ (B) 0.2kΩ ≤ R
L
≤ 0.8KΩ (C) 0.1kΩ ≤ R
L
≤ 1kΩ (D) 0.2kΩ ≤ R
L
≤ 1kΩ 。
6.如圖所示電路,7483 為一個 4 位元平行加法器,若輸入A
4
A
3
A
2
A
1
= 0110、B4B3B2B1 = 1001 且C
0
= 1,則輸出S4S3S2S1 =(A)1101 (B)0011 (C)1011 (D)1111 。
7.布林函數F=
可化簡為 (A)A+
(B)C+AB (C)C+
(D)B+
。
8.如圖所示電路,試求跨於100 Ω電阻上的電壓v為何?(A)20 V (B)50 V (C)60 V (D)80 V 。
9.如圖所示電路,若X
AC
為2.5 A的電流源,下列選項何者錯誤? (A)I
2
= 7.5 A (B)I
3
= 5 A (C)V
BC
= 5 V (D)V
BD
= 10 V 。
10.如圖所示之電晶體放大器電路,此回授放大器的架構為: (A)電壓取樣、串聯回授 (B)電流取樣、串聯回授 (C)電壓取樣、並聯回授 (D)電流取樣、並聯回授 。
11.256K × 8bit 的PROM 最多可規劃多少輸入變數的幾個布林函數? (A)10 輸入變數的4 個布林函數 (B)12 輸入變數的8 個布林函數 (C)18 輸入變數的8 個布林函數 (D)20 輸入變數的16 個布林函數 。
12.如圖所示電路,V
EB
= 0.7 V,熱電壓 V
T
= 26 mV,則小訊號分析之輸入阻抗Zi 最接近下列何值? (A) 15.5Ω (B) 25.5 Ω (C) 35.5 Ω (D) 45.5 Ω 。
13.下列對於BJT 電晶體與MOSFET 電晶體的敘述,何者有誤? (A) BJT 電晶體為雙極性 ( Bipolar ) 電晶體 (B) BJT 電晶體為一種電壓控制元件,MOSFET 電晶體為一種電流控制元件 (C) MOSFET 電晶體為單極性 ( Unipolar ) 電晶體 (D) BJT 電晶體的輸入阻抗比MOSFET 電晶體的輸入阻抗小 。 - 共 6 頁,第 2 頁 - 公 告 用
14.一個數位加法器的積體電路( IC )分別以BJT 電晶體設計和用MOS 電晶體設計,一般而言對這兩種設計 方式,下列敘述何者正確? (A) 對於速度,以BJT 電晶體實現的IC 會比以MOS 電晶體實現的IC 快 (B) 對於功率消耗,以BJT 電晶體實現的IC 會比以MOS 電晶體實現的IC 省電 (C) 對於輸出訊號,以BJT 電晶體實現的IC 會比以MOS 電晶體實現的IC 有較高的雜訊邊界 ( Noise Margin ) (D) 對於密度,以BJT 電晶體實現的IC 會比以MOS 電晶體實現的IC 密度高 。
15.有一放大器V i ( t) =2sin( ω t+10 °)+ sin 2ω t ,V
o
( t)= 4sin( ω t +10°) +3sin 2 ωt ,此放大器有何種失真? (A)波幅失真 (B)頻率失真 (C)相位失真 (D)以上均是 。
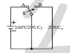
16.如圖所示, 為C
1
33μF 充滿電後,把開關S由A移到B點,則 之電壓降為 C
1
75V後達到穩定。假設C
X
之 初始電壓值為零,則電容CX值為: (A) 11μF (B) 22μF (C) 33μF (D) 44μF 。
17.如圖所示,為 MOD? 計數器 (A) 5 (B) 6 (C) 7 (D) 8 。
18.如圖所示,使用一多工器來實現布林代數,求 f wxyz ( , , , )= ( ? ) ∑ (A) ∑( 0,3,5,7,9,11,14,15 ) (B) ∑( 1, 4,6,7,9,13,14,15 ) (C) ∑( 2,5,6,7,9,13,14,15 ) (D) ∑ ( 3,4,5,7,9,13,14,15 ) 。
19.如圖所示,波形所對應之正確邏輯為何? (A) F=A⊕B⊕C(B) F=A⊕B⊕
(C) F=A⊕
⊕C (D) F = B☉C 。
20.有一矽二極體,在 25°C 時的逆向飽和電流為 2nA,當溫度升高至 65°C 時,逆向飽和電流將為? (A)8nA (B)16nA (C)32nA (D)64nA 。
申論題 (17)
1. 如圖所示電路中,R
1
和R
2
的消耗功率分別 23.7 W及 36.3 W。已知I
S
=1.25A,試求V
S
= _______
2.具有11 個狀態(state)的序向邏輯電路,最少需使用多少個正反器做記憶元件?______
3.如圖所示電路,二極體之順向導通壓降均為0.7 V,則Vo 為_____
4.如圖所示屬何種電路? ______
5.矽二極體的逆向電阻會隨溫度增高而_____
6. PN接面二極體,若以接面處為界,在P型側空乏區內的電荷為____
7.在80x86系統中,使用如圖所示之邏輯電路作為定址解碼,則ROM的位址解碼範圍為何?_____
8.如圖所示,求此電路的輸入電阻R
in
為_____
9.某一電容器之電容量為20μF,若跨於電容兩端之瞬間電壓為3 V,則其瞬間儲存之能量為_____
10.RLC 串聯電路中,R = 10 Ω,L = 10 mH,C = 50 μF,在接上交流電源時,發現電流較電壓超前45°,則電源之角 頻率為______
11. 如圖所示,若 V
DD
=20
V、 R
1
= 6.5MΩ 、 R
2
= 3.5MΩ 、 R
D
=1kΩ、R
S
=100Ω 、 K = 0.4 mA/ V
2
、 V
t
=1 V , 已知 2 ( -) I
D
= K(V
GS
-Vt)
2
,求VGS= ? (5分)
12. 如圖所示,電路中電源電壓為± 15V, R
1
=20k Ω , R
2
=10k Ω , R =15kΩ , C= 0.1 μ F,求T= ? (5分)
13. 如圖所示,為串並聯等值互換電路,在 a、b 端必須滿足Z = Z
S
=Z
P
、Q=Q
S
=Q
P
(X
S
與 X
P
為電抗性元件),由 串聯等效成並聯可推得:
,由並聯等效成串聯可推得:
, 試推導串並聯等值互換之通式:
14. 如圖所示,求 f
2
(x, y,z) =? (5 分)
15.如圖所示電路,(1)試求AB兩點間之總電容?(2)當電容器C2之電量為 120 微庫侖時,則AB之電位差為若干?
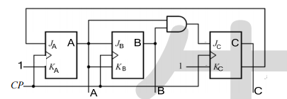
(1)請繪出所有 JK 之卡諾圖。
(2)請繪出所設計之電路圖。
相關試卷
113年 - 113 金門縣國民小學教師聯合甄選試題:資訊科技專業科目#120867
113年 · #120867
113年 - 113 高雄市市立國民小學_教師聯合甄選:專長類-資訊試卷#120693
113年 · #120693
112年 - 112 新北市國民小學暨幼兒園教師甄選試題:資訊科#118895
112年 · #118895
112年 - 112-1 國立臺東大學附設實驗國民小學教師甄選試題:資訊專業科目#115036
112年 · #115036
112年 - 112 臺北市市立國民中學正式教師聯合甄選:資訊科技(雙語)科#114640
112年 · #114640
112年 - 112 臺北市市立國民中學正式教師聯合甄選:資訊科技科#114633
112年 · #114633
112年 - 112 高雄市市立高級中等學校聯合教師甄選試題:資料處理科#114465
112年 · #114465
112年 - 112-1 國立東華大學附設實驗國民小學教師甄選題目:資訊專業#114445
112年 · #114445
112年 - 112 臺北市市立普通型暨技術型高級中等學校正式教師聯合甄選:資料處理科#114335
112年 · #114335
112年 - 112 新北市公立高級中等學校教師聯合甄選試題:資訊科#114159
112年 · #114159