阿摩線上測驗
登入
首頁
>
結構學概要與鋼筋混擬土學概要
> 100年 - 100 原住民族特種考試_四等_土木工程:結構學概要與鋼筋混凝土學概要#34274
100年 - 100 原住民族特種考試_四等_土木工程:結構學概要與鋼筋混凝土學概要#34274
科目:
結構學概要與鋼筋混擬土學概要 |
年份:
100年 |
選擇題數:
0 |
申論題數:
4
試卷資訊
所屬科目:
結構學概要與鋼筋混擬土學概要
選擇題 (0)
申論題 (4)
【已刪除】一、有一移動均佈活載重 w = 5 tf/m 通過圖示之連續梁,試求 a 點之最大正、負彎矩值。 (25 分)
【已刪除】二、試求圖示桁架中桿件 a(即 BD)與桿件 b(即 DK)之力。(25 分)
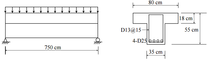
【已刪除】三、圖示鋼筋混凝土梁承受均佈使用靜載重(service dead load)w
sd
= 0.54 tf/m(不含自 重)及均佈使用活載重(service live load)
= 2 tf/m之作用,試檢核此梁之剪力強 度。(25 分) 已知條件:
f′c = 280 kgf/cm
2
,f
yt
= 2800 kgf/cm
2
D13 鋼筋,直徑d
b
= 1.27 cm,面積A
b
= 1.27 cm
2
D25 鋼筋,直徑d
b
= 2.54 cm,面積A
b
= 5.07 cm
2
四、在鋼筋混凝土梁的撓曲分析及設計過程中有那些基本假設?試列式說明。(25 分)
相關試卷
115年 - 115 身心障礙特種考試_四等_土木工程:結構學與鋼筋混凝土學概要#138950
115年 · #138950
114年 - 114 地方政府公務、離島地區公務特種考試_四等_土木工程:結構學與鋼筋混凝土學概要#134785
114年 · #134785
114年 - 114 原住民族特種考試_三等_土木工程:結構學與鋼筋混凝土學#130980
114年 · #130980
114年 - 114 原住民族特種考試_四等_土木工程:結構學與鋼筋混凝土學概要#130949
114年 · #130949
114年 - 114 普通考試_土木工程:結構學與鋼筋混凝土學概要#128751
114年 · #128751
114年 - 114 身心障礙特種考試_四等_土木工程:結構學與鋼筋混凝土學概要#126635
114年 · #126635
113年 - 113-2 國營臺灣鐵路股份有限公司_從業人員甄試試題_第10階-助理技術員-土木工程:結構學概要與鋼筋混凝土學大意#137204
113年 · #137204
113年 - 113 國營臺灣鐵路股份有限公司_從業人員甄試_第 10 階-助理技術員-土木工程:結構學概要與鋼筋混凝土學大意#137172
113年 · #137172
113年 - 113 地方政府公務、離島地區公務特種考試_四等_土木工程:結構學與鋼筋混凝土學概要#124558
113年 · #124558
113年 - 113 地方政府公務、離島地區公務特種考試_四等_土木工程:結構學與鋼筋混凝土學概要#124322
113年 · #124322