阿摩線上測驗
登入
首頁
>
國營事業◆流體機械
> 100年 - 100 專技高考_冷凍空調工程技師:流體力學與流體機械#26842
100年 - 100 專技高考_冷凍空調工程技師:流體力學與流體機械#26842
科目:
國營事業◆流體機械 |
年份:
100年 |
選擇題數:
0 |
申論題數:
5
試卷資訊
所屬科目:
國營事業◆流體機械
選擇題 (0)
申論題 (5)
【已刪除】一、如圖一所示之 AB 曲線為 1/4 圓弧,其寬度為 4 m 所形成一液壓曲面之閘門,試求 頂住閘門之作用力 R 值?(20 分)
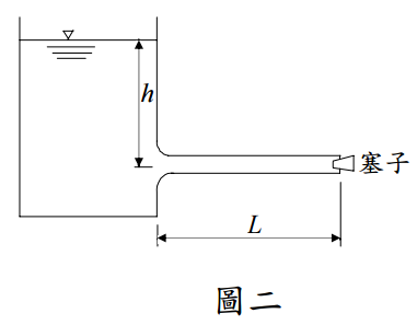
【已刪除】二、一長度 L 的水平管道連接於一大水槽,如圖二所示。水槽開口於大氣,水面在管道 軸心上的高度為
h
,在時間 t = 0 時,拔出塞子,水因重力作用而流出,不計阻力, 若
h
維持不變,試證管道中任一時刻的速度為 )
。(20 分)
【已刪除】三、如圖三所示之水流中,若忽略因流動干擾所造成之測量誤差,試求流量大小。
(20 分)
【已刪除】四、如圖四所示為一離心泵系統管路圖,將A槽中的水加壓泵送至B槽,兩水槽水面高度 差Hα 為 11 m,吸水管長度
ℓ
1
= 10 m,管徑
d
1
= 100 mm,管路摩擦係數
f
1
= 0.025,總微 損係數C
L1
= 2,排水管長度
ℓ
2
= 30 m,管徑d
2
= 75 mm,管路摩擦係數
f
2
= 0.027,總微 損係數C
L2
= 12。若此泵之性能曲線近似於H = 15-0.043Q
2
,式中H單位為m,Q單位 為
ℓ
/ s,試求此泵系統之運轉流量及揚程。(20 分) 圖四
五、一輪機式風扇在轉速為 6000 rpm時,風量為 0.5 m
3
/ min,靜壓為 132 mm Aq,軸動 力為 0.0493 kW,此風扇若運轉於 8000 rpm時,其風量、靜壓及軸動力各為若干?( 20 分
相關試卷
103年 - 103 專技高考_機械工程技師:流體力學與流體機械#24802
103年 · #24802
103年 - 103 專技高考_冷凍空調工程技師:流體力學與流體機械#24800
103年 · #24800
102年 - 102 專技高考_機械工程技師:流體力學與流體機械#25463
102年 · #25463
102年 - 102 專技高考_冷凍空調工程技師:流體力學與流體機械#25461
102年 · #25461
101年 - 101 專技高考_機械工程技師:流體力學與流體機械#26327
101年 · #26327
101年 - 101 專技高考_冷凍空調工程技師:流體力學與流體機械#26210
101年 · #26210
100年 - 100 專技高考_機械工程技師:流體力學與流體機械#26918
100年 · #26918
94年 - 094年第一次專門職業及技術人員律師會計師建築師技師社會工作師醫事人員營養師獸醫人員中醫師土地登記專業代理人檢覈筆試暨醫師牙醫師檢覈筆試分階段機械工程技師#39134
94年 · #39134
94年 - 094年專門職業及技術人員高等建築師、技師暨普通不動產經紀人、地政士、記帳士機械工程技師#38547
94年 · #38547
94年 - 94-2 專技檢覈_機械工程技師:流體力學及流體機械#38546
94年 · #38546