阿摩線上測驗
登入
首頁
>
結構學概要與鋼筋混擬土學概要
> 100年 - 100 普通考試_土木工程:結構學概要與鋼筋混凝土學概要#29548
100年 - 100 普通考試_土木工程:結構學概要與鋼筋混凝土學概要#29548
科目:
結構學概要與鋼筋混擬土學概要 |
年份:
100年 |
選擇題數:
0 |
申論題數:
6
試卷資訊
所屬科目:
結構學概要與鋼筋混擬土學概要
選擇題 (0)
申論題 (6)
【已刪除】一、分析所示梁結構各支承反力,並繪此梁之剪力圖與彎矩圖。各桿件之 E、I 均相同。 (25 分)
【已刪除】二、分析所示桁架結構各支承反力,與桿件 jk、wk 之受力。各桿件之 E、A 均相同。 (25 分)
※注意:下列試題原則上依「土木 401-96」(ACI 318-05)規範規定作答,若採用其他規 範版本作答請務必「註明」。
三、強塑劑(Superplasticizers)是混凝土可添加的塑化劑(Plasticizers)之一種,請說明 其功能與用途。(10 分)
四、某工程當日進行二樓樓版混凝土澆置工程,已知二樓總樓地版面積為 2800 m2 ,版 厚 18 cm,請依據規範計算需採幾組混凝土試體?(5 分)
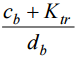
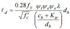
【已刪除】五、鋼筋受拉伸展長度之基本式:
請說明橫向鋼筋指標K
tr
如何計算?
有何限制條件?(10 分)
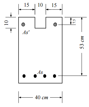
【已刪除】六、如下圖所示不規則梁斷面,
受設計彎矩M
u
= 80 tf-m作用,如使用材料混凝土抗壓 強度f
c
' = 280 kgf/cm
2
,鋼筋降伏強度f
y
= 4200 kgf/cm
2
。試求斷面所需鋼筋量。( E
s
= 2.04×10
6
kgf/cm
2
)(25 分)
相關試卷
115年 - 115 身心障礙特種考試_四等_土木工程:結構學與鋼筋混凝土學概要#138950
115年 · #138950
114年 - 114 地方政府公務、離島地區公務特種考試_四等_土木工程:結構學與鋼筋混凝土學概要#134785
114年 · #134785
114年 - 114 原住民族特種考試_三等_土木工程:結構學與鋼筋混凝土學#130980
114年 · #130980
114年 - 114 原住民族特種考試_四等_土木工程:結構學與鋼筋混凝土學概要#130949
114年 · #130949
114年 - 114 普通考試_土木工程:結構學與鋼筋混凝土學概要#128751
114年 · #128751
114年 - 114 身心障礙特種考試_四等_土木工程:結構學與鋼筋混凝土學概要#126635
114年 · #126635
113年 - 113-2 國營臺灣鐵路股份有限公司_從業人員甄試試題_第10階-助理技術員-土木工程:結構學概要與鋼筋混凝土學大意#137204
113年 · #137204
113年 - 113 國營臺灣鐵路股份有限公司_從業人員甄試_第 10 階-助理技術員-土木工程:結構學概要與鋼筋混凝土學大意#137172
113年 · #137172
113年 - 113 地方政府公務、離島地區公務特種考試_四等_土木工程:結構學與鋼筋混凝土學概要#124558
113年 · #124558
113年 - 113 地方政府公務、離島地區公務特種考試_四等_土木工程:結構學與鋼筋混凝土學概要#124322
113年 · #124322