阿摩線上測驗
登入
首頁
>
計算機概論、大意(資訊科學概論,電腦常識,電子計算機概論)
> 100年 - 100 關務特種考試_四等_資訊處理:計算機概要#46751
100年 - 100 關務特種考試_四等_資訊處理:計算機概要#46751
科目:
計算機概論、大意(資訊科學概論,電腦常識,電子計算機概論) |
年份:
100年 |
選擇題數:
40 |
申論題數:
0
試卷資訊
所屬科目:
計算機概論、大意(資訊科學概論,電腦常識,電子計算機概論)
選擇題 (40)
1 以下這個 64 位元的二進位整數,是以二的補數形式表示,其十進位數字為何? 1111 1111 1111 1111 1111 1111 1111 1111 1111 1111 1111 1111 1111 1111 0000 0000 (A)-32 (B)-64 (C)-128 (D)-256
2 x = 1111 1111 1001 1100,y = 0000 0000 0001 1001,x 及 y 皆是長度為 16 位元的二的補數整數(two’s complement integer),試求 x/y? (A)0000 0000 0000 0100two (B)1111 1111 1100 1101two (C)1111 1111 1111 1100two (D)1111 1111 1111 0100two
3 以下何者為 F(x,y,z)=Σ(0,2,4,5,6)正確的布林表示式? (A)x+yz (B)x+yz’ (C)z’+xy’ (D)z+xy’
4 布林函數 F=(x+y)(x+y’)與下列何項相等? (A)xy+x’y’ (B)xy+x’y (C)xy+xy’ (D)xy
5 一時序電路(sequential circuit)由 1 個T正反器(flip-flop)與 5 個邏輯閘所組成如下圖所示,其中B、C
1
、C
2
、 C
3
為輸入位元,A為狀態位元,試問A之狀態方程式為何?
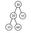
(A)A(t+1)=(C
1
AB+C
2
(A ⊕ B)+C
3
A) ⊕ A (B)A(t+1)=(C
1
AB+C
2
(A ⊗ B)+C
3
A) ⊗ A (C)A(t+1)=C
1
AB+C
2
(A ⊕ B)+C
3
A (D)A(t+1)=C
1
AB+C
2
(A ⊗ B)+C
3
A
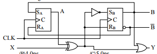
6 使用 2 個SR正反器(flip-flop)與 3 個邏輯閘組成一時序電路(sequential circuit)如下圖所示,其中SR正反器 由NAND閘所組成,A、B表示狀態位元,X表示外部輸入位元,Y表示輸出位元,SA與RA表示第 1 個SR正反 器之輸入位元,S
B
與R
B
代表第 2 個SR正反器之輸入位元,CLK表示時脈。關於各個邏輯閘與正反器之時間參 B B 數[t
pd
表示傳遞延遲時間,t
s
表示就緒時間(setup time),th表示保持時間(hold time) ]如下: 反向器(inverter):t
pd
= 0.5ns 互斥或閘(XOR):t
pd
= 2.0ns 或閘(OR):t
pd
= 1.0ns 正反器:t
pd
= 2.0ns, ts = 1.0ns, th = 0.25ns 試問從正緣時脈(positive clock edge)至電路輸出(Y),其最長路徑延遲為何?
(A)3.5ns (B)4.0ns (C)5.0ns (D)6.0ns
7 試問大小為 8M×16 的記憶體其位址(address)應具有多少個位元? (A)24 (B)23 (C)16 (D)13
8 在作業系統中,每 1 個程序(process)都有 1 個程序控制區塊(process control block, PCB)來記錄該程序相 關資料。下列何項資料通常不會記錄在 PCB 中? (A)program counter (B)program execution code (C)CPU registers (D)I/O status information
9 一指令執行”Load to R2”如下圖所示,其指令在記憶體所在的位址為 100 與 101,其位址欄位(ADRS)或運 算元(NBR)在位址 101 且值為 300;暫存器 R1 之值為 200。若指令使用間接定址模式(indirect addressing mode),試問其有效位址(effective address, EA)以及該指令執行後暫存器 R2 之值為何?
(A)EA=101;R2=300 (B)EA=300;R2=750 (C)EA=402;R2=450 (D)EA=750;R2=400
10 在磁碟系統中,將讀寫臂移至正確磁柱(cylinder)所需的時間稱為: (A)尋找時間(seek time) (B)旋轉時間(rotational delay) (C)傳輸時間(transfer time) (D)傳遞時間(propagation delay)
11 下列何項機制使得記憶體與 I/O 裝置進行資料傳輸時,I/O 裝置等資料準備好傳送後再通知 CPU,因此 CPU 無須空等? (A)programmed I/O (B)interrupt-driven I/O (C)DMA (D)isolated I/O
12 以下那一項不是 1 個關鍵區(critical section)問題解決方案所需具備的條件? (A)互斥(mutual exclusion) (B)進展(progress) (C)有限等待(bounded waiting) (D)插斷(preemption)
13 即時作業系統(real-time operating system)的設計和一般作業系統不同,目的是確保使用者交付的工作,能 夠在預設的時間內完成,下列何者不是即時作業系統的設計重點? (A)可將特定的工作設定為高優先(high priority),保證高優先的工作在一般工作之前執行 (B)由於虛擬記憶體(virtual memory)可能造成無法預估的時間延遲(delay),所以應儘可能減少虛擬記憶 體的使用 (C)國防軍事所用的硬性即時作業系統(hard real-time OS),由於要求嚴格,通常避免以時間分工(time-sharing) 方式執行多項即時工作 (D)根據工作的執行時間,動態的來進行排程(scheduling),將 CPU 時間平均分配給所有工作,提高系統的 公平性(fairness)
14 將 C++程式的原始碼編譯(compile)後會產生何種檔案? (A)目的檔(object file) (B)表頭檔(header file) (C)文字檔(text file) (D)可執行檔(executable file)
15 下列有關副程式(subprogram)的敘述,何者錯誤? (A)可使程式執行較有效率 (B)可使程式結構較清晰 (C)常可精簡程式並提昇程式的可讀性 (D)有利於分工,以便多人共同完成較大的程式
16 下列以 C 程式語言撰寫之程式執行後產生之輸出為何?
(A)*** (B)**** (C)***** (D)******
17 執行下列 C 語言程式後產生的輸出為何? #include
main() { int a= 2, b = 5; a += a++ * --b; printf(“%d ”, a); } (A)9 (B)10 (C)11 (D)13代號:2405頁次:4-3
18 以下兩種不同版本的 C 程式,所有的變數皆為整數。 版本一: for (j=0; j<20; j++) /* Version 1 */ for (i=0; i<10000; i++) x[i][j] = x[i][j]+1; 版本二: for (i=0; i<10000; i++) /* Version 2 */ for (j=0; j<20; j++) x[i][j] = x[i][j]+1; 2 個程式先後在同一台電腦上面執行,該電腦的處理器中有 1 個直接對應的(direct-mapped)資料快取記憶 體(data cache),其容量為 8KB,區塊長度(block size)為 16 位元組,假設軟體環境維持不變,也未受到 其他程式的干擾,且程式執行時未發生任何錯誤(error),請問下列敘述何者正確? (A)版本一比版本二快,因為版本一的資料快取記憶體的失誤率(cache miss rate)比較低 (B)版本一比版本二慢,因為版本一的資料快取記憶體的失誤率(cache miss rate)比較高 (C)兩種版本速度相同,因為兩版本的資料快取記憶體的失誤率(cache miss rate)相同 (D)兩種版本的程式結果不同,不能比較
19 假設依序 push 資料 A, B, C 進入堆疊(stack)中,接下來作 pop 動作得到的資料為何? (A)A (B)B (C)C (D)D
20 以下何種特性對於 hash function 不是重要特性? (A)容易計算 (B)與輸入鍵值相關且具規律性 (C)能減少碰撞 (D)最好是單一分配(uniform distribution)
21 有一棵二元樹(binary tree)的前序走訪(preorder traversal)結果為 A B D E C F G,中序走訪(inorder traversal) 為 D B E A F C G,請問此樹的後序走訪(postorder traversal)結果為何? (A)A B C D E F G (B)D E B F G C A (C)B D E G F C A (D)C F G E D B A
22 有一樹(tree)如下:
以下敘述何者正確? (A)是二元搜尋樹(binary search tree)且是完整二元樹(complete binary tree) (B)是二元搜尋樹且是完滿二元樹(full binary tree) (C)不是二元搜尋樹也不是完整二元樹 (D)不是二元搜尋樹但是是完整二元樹
23 二元搜尋樹(binary search tree)中,那一種走訪順序能將資料由小到大印出? (A)preorder (B)inorder (C)postorder (D)level order
24 樹狀(tree)結構由儲存資料之節點(node)與連接節點之邊(edge)組成。下列為有關附圖中樹狀(tree)結 構之敘述:
①樹根(root)節點之分支度(degree)為 3,故此樹狀結構是三元樹(ternary tree) ②節點 E、H、J、L 為兄弟節點(siblings) ③節點 C、H、J 為內部節點(internal node) ④外部節點(external node)之數量為 8 ⑤節點 D 是節點 X、Y、N、P 共同之祖先(ancestor)節點之一 請選出最適合之選項: (A)①②正確;③④錯誤 (B)③⑤正確;①④錯誤 (C)④⑤正確 (D)②④錯誤
25 給定 n 個節點的 AVL 樹,其最大高度為: (A)O(1) (B)O(log n) (C)O(log log n) (D)O(n)
26 將中序運算式(infix expression):(1+3)*7 轉成後序運算式(postfix expression)後,結果為何? (A)1+3*7 (B)*+137 (C)13+7* (D)1+37*
27 下列那一方法不是解決雜湊表(hash table)溢位(overflow)的方法? (A)重新雜湊(rehashing) (B)串連(chaining) (C)融合(merging) (D)隨機探查(random probing) 代號:2405 頁次:4-4
28 在下面圖形中,從節點 A 開始作廣度優先搜尋(breadth first search, BFS),則走訪節點的順序可能為下列 何者?
(A)A B E F C D G (B)A B F G C D E (C)A B F E C G D (D)A B E C D G F
29 將 2 個分別由 m 個和 n 個節點所構成的雙向串列(doubly linked list)合併成 1 個雙向串列所花費的時間為: (A)Q(1) (B)Q(m+n) (C)Q(m-n) (D)Q(min(m, n))
30 下圖是 1 個依字母順序儲存的資料結構,請問此資料結構為何?
(A)二元樹(binary tree) (B)二元搜尋樹(binary search tree) (C)紅黑樹(red-black tree) (D)二三樹(2-3 tree)
31 下列那一種鏈結串列(linked list)中沒有使用到 NULL 鏈結? (A)環狀鏈結串列(circular linked list) (B)單向鏈結串列(single linked list) (C)雙向鏈結串列(doubly linked list) (D)多向鏈結串列(multiply linked list)
32 關聯式資料庫中,下列敘述何者正確? (A)建立資料索引加快速度,越多越好 (B)資料表中的主鍵(primary key)其值不能重複 (C)建立資料表時,需說明最大的資料筆數 (D)最佳資料表設計僅需符合第二正規化
33 一般個人電腦,可以透過電話(telephone)網路連上網際網路(Internet)。這種將個人電腦連接上電話網路 的設備通稱為: (A)多媒體閘道器(multimedia gateway) (B)數據機(modem) (C)乙太網路卡(Ethernet network card) (D)雲端伺服器(cloud server)
34 以下關於 SNMP 敘述,何者不正確? (A)SNMP 所定義的應用程式函式庫,底層以 UDP 傳輸 (B)需安裝代理人(agent)在被管理主機,負責回報資訊給管理主機 (C)需建立 SNMP 社群(SNMP community)關係,以避免外來主機非法更動網管資料 (D)SNMP 由於其複雜性太高而有被 CMIP 取代的趨勢
複選題
35 以下有關 RSA(Rivest, Shamir, Adleman)加密技術的敘述何者錯誤? (A)數位簽章之實現一定採用 RSA 技術 (B)RSA 主要分為 3 個操作程序:金鑰對產生(key pair generation)、加密訊息(encryption)與解密訊息 (decryption) (C)RSA 安全度是建立在將 1 個大整數分解為 2 個質因數乘積的難題上 (D)RSA 是對稱式加密技術
36 下列何種系統不需要採用盲簽章(blind signature)技術? (A)電子投票系統(electronic voting systems) (B)數位現金(digital cash) (C)端對端安全傳輸系統(end to end reliable transmission systems) (D)端對端可稽核系統(end to end auditable systems)
37 以下有關 IPSec(IP security)協定的敘述,何者錯誤? (A)IPSec 協定使用 AH(authentication header)協定保障資訊安全 (B)IPSec 協定使用 ESP(encapsulation security payload)協定保障資訊安全 (C)IPSec 協定使用 IKE(Internet key exchange)協定以管理金鑰交換程序 (D)IPSec 協定包含通道(tunnel)模式與網路(network)模式
38 關於「公開金鑰」與「秘密金鑰」密碼系統,以下何者正確? (A)在秘密金鑰密碼系統中傳輸 1 份文件時,必須有 1 對公鑰及私鑰才能正確加密與解密該文件 (B)秘密金鑰密碼系統又稱「非對稱金鑰密碼系統」 (C)在相同數量使用者的環境下,秘密金鑰密碼系統需要維護較多數量的金鑰 (D)秘密金鑰密碼系統運算方式簡單,因此處理速度較公開金鑰密碼系統快
39 在物件導向程式語言中,關於類別方法(class method)的敘述何者正確? (A)屬於整個類別(class),為個別實體(instance)所共同擁有 (B)屬於整個類別(class),為個別實體(instance)所各自擁有 (C)屬於個別物件(object),為個別實體(instance)所共同擁有 (D)屬於個別物件(object),為個別實體(instance)所各自擁有
40 安全傳輸協定(secure socket layer, SSL)不使用以下那個演算法來確保資料在傳輸過程中的機密性 (confidentiality)? (A)MD5 (B)DES (C)3DES (D)IDEA
申論題 (0)
相關試卷
115年 - 115 身心障礙特種考試_四等_資訊處理:計算機概要#138974
115年 · #138974
115年 - 115 關務特種考試_四等_資訊處理(選試英文):計算機概要#138972
115年 · #138972
115年 - 115 身心障礙特種考試_四等_電子工程:計算機概要#138951
115年 · #138951
115年 - 115 身心障礙特種考試_五等_電腦打字:計算機大意#138949
115年 · #138949
115年 - 115 身心障礙特種考試_三等_電子工程:計算機概論#138849
115年 · #138849
114年 - 114 地方政府公務特種考試_四等_電子工程、電信工程:計算機概要#134700
114年 · #134700
114年 - 114 地方政府公務特種考試_四等_資訊處理:計算機概要#134674
114年 · #134674
114年 - 114 地方政府公務特種考試_三等_電力工程、電子工程、電信工程:計算機概論#134565
114年 · #134565
114年 - 114 專技高考_電子工程技師:電子計算機原理#133573
114年 · #133573
114年 - 114 交通事業港務升資考試_員級晉高員級_技術類—港務:電子計算機概論#133232
114年 · #133232