阿摩線上測驗
登入
首頁
>
鋼筋混凝土學與設計
> 100年 - 100 高等考試_三級_土木工程:鋼筋混凝土學與設計#31288
100年 - 100 高等考試_三級_土木工程:鋼筋混凝土學與設計#31288
科目:
鋼筋混凝土學與設計 |
年份:
100年 |
選擇題數:
0 |
申論題數:
8
試卷資訊
所屬科目:
鋼筋混凝土學與設計
選擇題 (0)
申論題 (8)
【已刪除】
※注意:下列試題原則上依「土木 401-96」(ACI 318-05)規範規定作答,若採用其他規 範版本作答請務必「註明」依據版本。
一、某預拌混凝土廠提供一批混凝土抗壓強度為
的試體強度資料,資料 如下表(平均值= 352.5 kgf/ cm
2
,標準差S
s
=10,291kgf/ cm
2
),試求此混凝土配 比目標抗壓強度
。(10 分)
⑴此時斷面之強度折減因數φ ?(5 分)
⑵此狀態下斷面之軸力 P 及彎矩 M。(10 分)
【已刪除】三、如圖示位於梁端部負彎矩區的 T 型斷面,梁跨度為 12 m,梁間中心距為 3.8 m, 擬採 10-D25 主筋及 D13 肋筋,試依據土木 401-96 規範對裂紋控制規定配置主筋 並繪製斷面配筋圖。
使用材料混凝土抗壓強度
,鋼筋降伏強度
。(25 分)
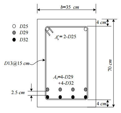
【已刪除】四、如圖示一矩形斷面梁,使用材料混凝土抗壓強度
,鋼筋降伏強度
,保護層厚度為 4 cm,
,拉力鋼筋分兩層,每層四根鋼筋,上層4-D29 下層4- D32,兩層鋼筋之淨間距為 2.5 cm,試求梁之彎矩設計 強度φ M
n
?(25 分)
⑴請檢討基礎版厚是否足夠。(5 分)
⑵基礎雙向鋼筋限制需採用D25,請設計抗彎矩所需之鋼筋。(15 分)
⑶檢討伸展長度。(5 分)
相關試卷
114年 - 114 地方政府公務、離島地區公務特種考試_三等_土木工程:鋼筋混凝土學與設計#134753
114年 · #134753
114年 - 114 高等考試_三級_土木工程:鋼筋混凝土學與設計#128726
114年 · #128726
113年 - 113-2 國營臺灣鐵路股份有限公司_從業人員甄試試題_第9階-技術員-土木工程:鋼筋混凝土學與設計概要#137156
113年 · #137156
113年 - 113 國營臺灣鐵路股份有限公司_從業人員甄試_第8階-助理工程師-土木工程:鋼筋混凝土學與設計#137104
113年 · #137104
113年 - 113-2 國營臺灣鐵路股份有限公司_從業人員甄試_第8階-助理工程師-土木工程:鋼筋混凝土學與設計#137090
113年 · #137090
113年 - 113-2 國營臺灣鐵路股份有限公司_從業人員甄試_第 9 階-技術員-土木工程:鋼筋混凝土學與設計概要#135450
113年 · #135450
113年 - 113 地方政府公務、離島地區公務特種考試_三等_土木工程:鋼筋混凝土學與設計#124342
113年 · #124342
113年 - 113 高等考試_三級_土木工程:鋼筋混凝土學與設計#121483
113年 · #121483
113年 - 113 國營臺灣鐵路股份有限公司_從業人員甄試_第 9 階-技術員-土木工程:鋼筋混凝土學與設計概要#119089
113年 · #119089
112年 - 112 地方政府特種考試_三等_土木工程:鋼筋混凝土學與設計#118382
112年 · #118382