阿摩線上測驗
登入
首頁
>
電力系統
> 101年 - 101年原住民族考三等_電力工程(一般錄取分發區)#34122
101年 - 101年原住民族考三等_電力工程(一般錄取分發區)#34122
科目:
電力系統 |
年份:
101年 |
選擇題數:
0 |
申論題數:
5
試卷資訊
所屬科目:
電力系統
選擇題 (0)
申論題 (5)
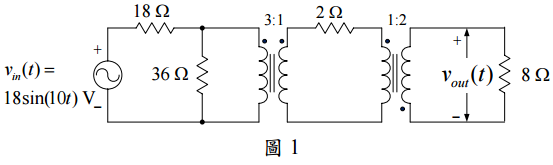
【已刪除】一、假設圖 1 電路中之變壓器均為理想變壓器(ideal transformers),試求圖中電壓 v
out
(t)之瞬時值。(25 分)
【已刪除】⑴試以V
1
、V
2
、Z、δ 及θ
12
(θ
12
=θ
1
−θ
2
)為參數,求送電端(即V
1
端)送出之複功率(complex power)(
)及受電端(即 端)吸入之複功率(
)的表示式。
【已刪除】⑵若此輸電線路之參數均係以共同 MVA 基準(common MVA base)之標么(pu) 值表示,且
=1∠85°、θ12=10° ,試決定下列電壓條件下之
,並說明 其差異與原因。
(a)V
1
=V
2
= 1.0 ;(b) V
1
=1.1、V
2
= 9.0 。
三、試以x
1
(0)
=2 及 x
2
(0)
=3為起始估計值,利用牛頓-拉弗森法(Newton-Raphson method) 求解下列聯立方程式,執行 2 次疊代。(25 分)
X
1
2
-2X
1
-X
2
=3
X
1
2
+X
2
2
=41
【已刪除】四、圖 3 所示系統沒有掛接負載,發電機均運轉在額定電壓,且電動勢均同相位。發電機 與變壓器的額定及百分電抗值均標示在圖上。忽略所有電阻,且線路阻抗為 j160 Ω。 若三相平衡故障發生在輸電線路的受電端(圖中最右側母線)。試採 100 MVA 為 共同基準,以標么法計算故障點之短路電流與短路 MVA。(25 分)
相關試卷
115年 - 115 關務特種考試_三等_電機工程(選試英文):電力系統#138944
115年 · #138944
114年 - 114 地方政府公務特種考試_三等_電力工程:電力系統#134738
114年 · #134738
114年 - 114 專技高考_電機工程技師:電力系統#133708
114年 · #133708
114年 - 114 公務升官等考試_薦任_電力工程:電力系統#133165
114年 · #133165
114年 - 114 高等考試_二級_電力工程:電力系統#131586
114年 · #131586
114年 - 114 高等考試_三級_電力工程:電力系統#128774
114年 · #128774
114年 - 114 關務特種考試_三等_電機工程(選試英文):電力系統#126644
114年 · #126644
113年 - 113 臺灣菸酒股份有限公司_從業職員及從業評價職位人員甄試試題_電子電機:電力系統(含電路學)#133978
113年 · #133978
113年 - 113 地方政府公務特種考試_三等_電力工程:電力系統#124553
113年 · #124553
113年 - 113 專技高考_電機工程技師:電力系統#123952
113年 · #123952