阿摩線上測驗
登入
首頁
>
電機機械
> 101年 - 101年專門職業及技術人員高等建築師、技師、第二次食品技師暨普通不動產經紀人、記帳士考高等_冷凍空調工程技師#26452
101年 - 101年專門職業及技術人員高等建築師、技師、第二次食品技師暨普通不動產經紀人、記帳士考高等_冷凍空調工程技師#26452
科目:
電機機械 |
年份:
101年 |
選擇題數:
0 |
申論題數:
5
試卷資訊
所屬科目:
電機機械
選擇題 (0)
申論題 (5)
【已刪除】一、如下圖所示的單相交流電路中,如果變壓器的功率損失及線路電壓降均甚小而可以 忽略,則試求此電路的輸出功率P
2
及輸入功率P
s
各為多少瓦(W)?而電路的操作 效率(輸出/輸入)又為多少%?(20 分)
【已刪除】二、有一簡單且在時間t = 0前已達穩態的電阻及電感組合電路中,若開關s
1
在時間t = 0秒 時打開(open),試推導並繪出在時間t ≥ 0後流經電阻
r
3
之電流波形
i
(
t
)?(20 分)
三、若有一台三相感應電動機的電源端一相線路瞬間發生斷路,試問此電動機還有可能 持續轉動嗎?其原因及可能的輸出狀況又將變為如何?(20 分)
四、將一台電樞電阻為 0.5 Ω、磁場電阻為 400 Ω、額定電壓 200 V 的直流並激電動機轉 軸上不接任何機械負載而空轉時,其轉速可達每分鐘 1500 轉。若此電動機的機械 摩擦等損失可以忽略,則在相同的輸入電壓情況下,逐漸地增加其轉軸上的機械負 載,若此一電動機的轉速降至每分鐘 1470 轉時,試問此時其轉軸上所連接的機械 負載將為多少牛頓-公尺(N-m)?(20 分)
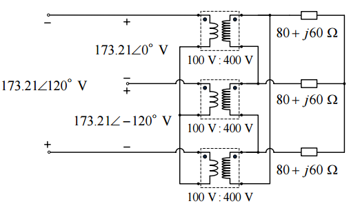
【已刪除】五、 將三台額定均為 1.0 kVA, 100 V : 400 V 之理想單相變壓器組合成一等效之 Y-Δ型連接三 相變壓器(低壓側 Y 接,高壓側Δ接)。如下圖所示,試問若將此等效三相變壓器之低 壓側接至一組線間電壓為 173.21 V 之平衡三相電源,而高壓側連接至由三個80 +
j
60Ω 之阻抗連接成 Y 型的負載時,供應至負載的三相總實功率為多少瓦(W)?(20 分)
相關試卷
115年 - 115 關務特種考試_三等_電機工程(選試英文):電機機械#138915
115年 · #138915
114年 - 114 地方政府公務特種考試_三等_電力工程:電機機械#134760
114年 · #134760
114年 - 114 專技高考_電機工程技師:電機機械#133717
114年 · #133717
114年 - 114 關務升官等考試、交通事業郵政升資考試_薦任、員級晉高員級_電力工程、技術類(選試電機機械)—關務、郵政:電機機械#133262
114年 · #133262
114年 - 114 交通事業郵政升資考試_佐級晉員級_技術類(選試電機機械概要)—郵政:電機機械概要#133211
114年 · #133211
114年 - 114 高等考試_二級_電力工程:電機機械#131612
114年 · #131612
114年 - 114 高等考試_三級_電力工程:電機機械#128777
114年 · #128777
114年 - 114 關務特種考試_三等_電機工程(選試英文):電機機械#126668
114年 · #126668
113年 - 113-2 國營臺灣鐵路股份有限公司_從業人員甄試_第8階-助理工程師-機械 第8階-助理工程師-電機:電機機械#137140
113年 · #137140
113年 - 113 地方政府公務特種考試_三等_電力工程:電機機械#124526
113年 · #124526