阿摩線上測驗
登入
首頁
>
電力系統
> 101年 - 101年警察人員、101年一般警察人員、101年交通事業鐵路人員考高員三級_電力工程#33973
101年 - 101年警察人員、101年一般警察人員、101年交通事業鐵路人員考高員三級_電力工程#33973
科目:
電力系統 |
年份:
101年 |
選擇題數:
0 |
申論題數:
5
試卷資訊
所屬科目:
電力系統
選擇題 (0)
申論題 (5)
一、有一條連接電力公司系統與用戶負載間之三相傳輸線,每相線路阻抗為 Z=3+j60Ω, 當用戶端線電壓為 69kV、實功率為 7.4MW,功率因數為 0.95 落後時,請計算電力 公司送電端之線電壓與功率因數、傳輸線之實功率損失。(20 分)
二、國內 161 kV 架空輸電線經常使用複導體,而 345 kV 架空輸電線經常使用四導體, 請解釋說明複導體與四導體之方式,並請說明採用複導體與四導體方式對降低線路 阻抗的影響與原因,也請說明降低線路阻抗對電力系統運轉的作用。(20 分)
三、有一台 60 Hz,30 MVA,66.4 kV/13.2 kV 單相變壓器,其換算至高壓側之串聯阻抗為 1+j18 Ω,忽略並聯導納。如選用 30MVA 為功率基底值、66.4 kV 為高壓側電壓基底 值時,請計算該串聯阻抗之 pu 值。當此變壓器在低壓二次側供應負載為電壓 1 pu、 實功率 0.8 pu、功率因數 0.9 落後時,請計算一次側電壓與電流之 pu 值與實際值。 如欲在二次側使用 Y 接電容器將二次側功率因數改善至 1.0 時,請計算每相電容器 之法拉值。(20 分)
四、請分別說明電力系統中控制頻率與電壓的設備與方法,亦請說明一個互聯電力系統 中負載頻率控制的目的與方法。(20 分)
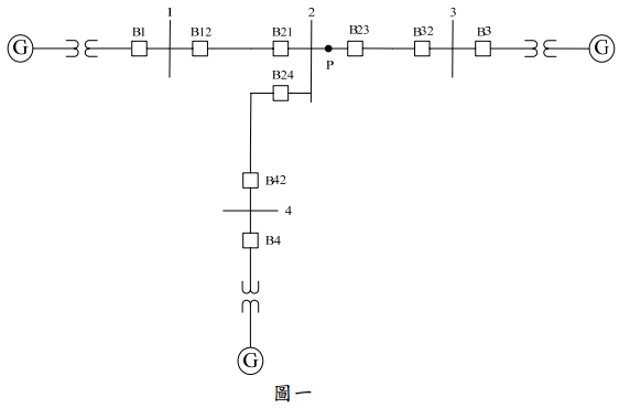
【已刪除】五、請畫出方向電驛(directional relay)結合過電流電驛(overcurrent relay)之單線圖, 說明其保護原理與動作條件。亦請畫出與說明圖一之中保護區(protection zone)設 定的方式,當 P 點發生故障時,請解釋那些斷路器應啟斷。(20 分)
相關試卷
115年 - 115 關務特種考試_三等_電機工程(選試英文):電力系統#138944
115年 · #138944
114年 - 114 地方政府公務特種考試_三等_電力工程:電力系統#134738
114年 · #134738
114年 - 114 專技高考_電機工程技師:電力系統#133708
114年 · #133708
114年 - 114 公務升官等考試_薦任_電力工程:電力系統#133165
114年 · #133165
114年 - 114 高等考試_二級_電力工程:電力系統#131586
114年 · #131586
114年 - 114 高等考試_三級_電力工程:電力系統#128774
114年 · #128774
114年 - 114 關務特種考試_三等_電機工程(選試英文):電力系統#126644
114年 · #126644
113年 - 113 臺灣菸酒股份有限公司_從業職員及從業評價職位人員甄試試題_電子電機:電力系統(含電路學)#133978
113年 · #133978
113年 - 113 地方政府公務特種考試_三等_電力工程:電力系統#124553
113年 · #124553
113年 - 113 專技高考_電機工程技師:電力系統#123952
113年 · #123952