阿摩線上測驗
登入
首頁
>
輸配電學
> 101年 - 101年高等三級暨普通考普通_電力工程#29438
101年 - 101年高等三級暨普通考普通_電力工程#29438
科目:
輸配電學 |
年份:
101年 |
選擇題數:
0 |
申論題數:
10
試卷資訊
所屬科目:
輸配電學
選擇題 (0)
申論題 (10)
⑴輸送實功。(10 分)
⑵輸送虛功。(10 分)
⑴此電器消耗的最大瞬時功率為何?(10 分)
⑵若電價每度為 NT$2.5 元,此電器每小時需花費多少元?(5 分)
⑴電源輸出實功率為何?(10 分)
⑵此系統之功率因數為何?(5 分)
⑶如何提高功率因數至 95%?(10 分)
⑴一次側電流。(10 分)
⑵二次側電流。(10 分)
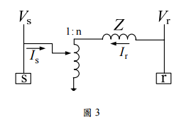
【已刪除】五、假設圖 3 中理想變壓器的匝數比為 1:n,線路阻抗為Z,試導出此變壓器在匯流排
s
與
r
之間的π模型,設此模型的導納矩陣為Y,其元素y
ss
、y
sr
、y
rs
、y
rr
各為何?(20 分)
相關試卷
114年 - 114 地方政府公務特種考試_四等_電力工程:輸配電學概要#134797
114年 · #134797
114年 - 114 普通考試_電力工程:輸配電學概要#128759
114年 · #128759
113年 - 113 地方政府公務特種考試_四等_電力工程:輸配電學概要#124495
113年 · #124495
113年 - 113 普通考試_電力工程:輸配電學概要#121395
113年 · #121395
112年 - 112 地方政府特種考試_四等_電力工程:輸配電學概要#118361
112年 · #118361
112年 - 112 普通考試_電力工程:輸配電學概要#115762
112年 · #115762
112年 - 112 鐵路特種考試_員級_電力工程:輸配電學概要#114947
112年 · #114947
111年 - 111 地方政府特種考試_四等_電力工程:輸配電學概要#112369
111年 · #112369
111年 - 111 中華郵政股份有限公司_職階人員資產營運及工程類科甄試_專業職一-電子工程:輸配電學概要#111690
111年 · #111690
111年 - 111 中華郵政股份有限公司_職階人員資產營運及工程類科甄試試題_專業職(一)/電力工程:輸配電學概要#111521
111年 · #111521