阿摩線上測驗
登入
首頁
>
輸配電學
>
101年 - 101年高等三級暨普通考普通_電力工程#29438
> 申論題
題組內容
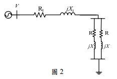
三、假設在圖 2 標么系統下,某工廠電源端電壓為V = 1.0∠0°,線路阻抗R
1
=0.5,X
1
= 0.5,負載的等效線路以阻抗來表示為R = 1.0,X = 1.0,求:
⑴電源輸出實功率為何?(10 分)
相關申論題
⑵此系統之功率因數為何?(5 分)
#61852
⑶如何提高功率因數至 95%?(10 分)
#61853
⑴一次側電流。(10 分)
#61854
⑵二次側電流。(10 分)
#61855
⑴若傅立葉轉換紅外線光譜儀(Fourier transform infrared spectrometer, FTIR)經單 次掃描(single scan)所得到的訊號其訊雜比(signal to noise ratio, S/N)為 10, 則 16 次掃描後,所得訊號的訊雜比為何?(5 分)
#61857
⑵FTIR圖譜的解析度(resolution, R, 以cm -1為單位)可以R=1/Δ表示,其中Δ代表在 干涉儀中,當移動鏡移動時,兩個光束的最大光程差。若要得到 1 cm-1的解析度 時,移動鏡相對於中心位置的位移應為何?(註:移動鏡的中心位置是指兩光束 的光程差“ δ ”為 0 的位置。)(5 分)
#61858
⑷下圖是某化合物之IR紅外線光譜,橫軸為波數(v 單位為cm -1),縱軸為百分穿 透度(% transmission)其分子式為C8H8O,試由紅外線光譜推知其結構式。(10 分)
#61860
⑴請畫出感應偶合電漿(Inductively Coupled Plasma)-原子發射光譜儀(Optical Emission Spectrometer)(ICP-OES)的塊解圖(block diagram),並註明其組成 元件。(5 分) ⑵感應偶合電漿(ICP)是如何形成的?形成電漿所用的氣體為何?(8 分)
#61861
⑶試述在原子光譜分析法(Atomic Spectroscopy)中,感應偶合電漿(ICP)與火焰 (flame)相較,其優缺點各為何?(12 分)
#61862
三、常見的液相層析儀的偵檢器(detectors),包括紫外線(UV)偵檢器、折射率(refractive index)偵檢器及螢光(fluorescence)偵檢器。試述其構造、使用原理及優缺點。 (25 分)
#61863
相關試卷
114年 - 114 地方政府公務特種考試_四等_電力工程:輸配電學概要#134797
114年 · #134797
114年 - 114 普通考試_電力工程:輸配電學概要#128759
114年 · #128759
113年 - 113 地方政府公務特種考試_四等_電力工程:輸配電學概要#124495
113年 · #124495
113年 - 113 普通考試_電力工程:輸配電學概要#121395
113年 · #121395
112年 - 112 地方政府特種考試_四等_電力工程:輸配電學概要#118361
112年 · #118361
112年 - 112 普通考試_電力工程:輸配電學概要#115762
112年 · #115762
112年 - 112 鐵路特種考試_員級_電力工程:輸配電學概要#114947
112年 · #114947
111年 - 111 地方政府特種考試_四等_電力工程:輸配電學概要#112369
111年 · #112369
111年 - 111 中華郵政股份有限公司_職階人員資產營運及工程類科甄試_專業職一-電子工程:輸配電學概要#111690
111年 · #111690
111年 - 111 中華郵政股份有限公司_職階人員資產營運及工程類科甄試試題_專業職(一)/電力工程:輸配電學概要#111521
111年 · #111521