阿摩線上測驗
登入
首頁
>
統測◆03電機與電子群電機類◆(二)電工機械、電子學實習、基本電學實習
> 101年 - 101 四技二專統測_電機與電子群電機類_專業科目(二):電工機械、電子學實習、基本電學實習#18086
101年 - 101 四技二專統測_電機與電子群電機類_專業科目(二):電工機械、電子學實習、基本電學實習#18086
科目:
統測◆03電機與電子群電機類◆(二)電工機械、電子學實習、基本電學實習 |
年份:
101年 |
選擇題數:
50 |
申論題數:
0
試卷資訊
所屬科目:
統測◆03電機與電子群電機類◆(二)電工機械、電子學實習、基本電學實習
選擇題 (50)
1. 下列有關變壓器之敘述,何者正確? (A) 變壓器為一種將機械能轉換成交流電能的裝置 (B) 變壓器為一種將直流電能轉換成交流電能的裝置 (C) 變壓器為一種將交流電能轉換成交流電能的裝置 (D) 變壓器為一種將太陽能轉換成交流電能的裝置
2. 一額定為 220 V/ 110 V、60 Hz的單相變壓器,若高壓側輸入電壓 220 V、120 Hz的電源, 且在低壓側無負載的狀況下,下列有關此單相變壓器的敘述,何者正確? (A) 低壓側電壓為 110V (B) 低壓側電壓降低為 55V (C) 低壓側電壓增加為 220V (D) 鐵心可能磁飽和
3. 一他激式直流發電機供給 20kW、200V負載,其電樞電阻為 0.2Ω,場電阻為 50Ω。若 每只電刷壓降為 1V,請問該發電機電樞繞組的感應電動勢為何? (A) 220V (B) 221V (C) 222V (D) 223V
4. 一額定為 90KVA的變壓器,負載功率因數為 0.8。在 3 / 4 滿載負載時,可獲得最大效率為 96%,請問滿載負載時之銅損為何? (A) 3200W (B) 2560W (C) 1800W (D) 1440W (E)2000W
5. 一 200V之分激式直流電動機,其電樞電阻為 0.2Ω,分激場電阻為 100Ω。已知電動機 外接電源電壓為 200V,電樞電流為 50A。若負載轉矩保持不變,現只改變場電阻,使 電動機磁場磁通為 2 倍原磁場磁通。請問在忽略電刷壓降的情況下,其電樞感應電勢大小 應為何? (A) 180V (B) 185V (C) 190V (D) 195V
6. 一串激式直流電動機運轉時,輸入額定電樞電流為 50A,產生轉矩為 200 牛頓-公尺,且 無載磁化曲線為直線關係。若將電樞電流降低至 25A,產生的轉矩應該為何? (A) 50 牛頓-公尺 (B) 100 牛頓-公尺 (C) 200 牛頓-公尺 (D) 400 牛頓-公尺
7. 下列直流電動機中,若只改變電動機電源之正負極性,下列何者會改變旋轉方向? (A) 永磁式 (B) 積複激式 (C) 串激式 (D) 分激式
8. 一額定25 kW之分激式直流發電機,半載時的可變損失為1kW,且已知滿載效率為 80%。 請問滿載時,其固定損失約為多少? (A) 1kW (B) 2.25kW (C) 4kW (D) 5.25kW
9. 有一部三相感應電動機,其銘牌標示摘錄如下:0.25HP、450VAC、60Hz、6P。若其滿載 轉速為 1140 rpm,請問其轉子頻率為何? (A) 63Hz (B) 60Hz (C) 6Hz (D) 3Hz
10. 有一部三相感應電動機,其標示為 4 P、5 HP、200 VAC、60 Hz。若已知半載轉速為 1746rpm,機械損失為 269W,請問半載時的氣隙功率為何? (A) 2403W (B) 2200W (C) 2134W (D) 1865W
11. 有一三相繞線式感應電動機,其轉子使用外加電阻控制轉速。當外加電阻越大時,其轉速 的變化為何? (A) 降低 (B) 升高 (C) 不變 (D) 不一定
12. 對一部與無窮母線並聯運轉之交流同步發電機,若只調整激磁電流大小,下列敘述何者 正確? (A) 可以改變發電機轉速 (B) 可以改變有效功率分配 (C) 可以維持恆定發電機轉速 (D) 可以改變無效功率分配
13. 同步電動機在不超過額定負載的條件下,當其負載愈大時,負載角與轉矩將愈大,而轉速 將為何? (A) 愈高 (B) 愈低 (C) 維持恆定 (D) 無法判斷
14. 有一部三相同步電動機,其標示為 20P、4HP、220VAC、50Hz。請問其額定輸出轉矩為 多少牛頓-公尺? (A) 31 牛頓-公尺 (B) 95 牛頓-公尺 (C) 252 牛頓-公尺 (D) 284 牛頓-公尺
15. 有一部三相 4P、220VAC、50Hz、10HP 的感應電動機,其滿載之轉部銅損為 310W, 請問此感應電動機之滿載轉速為何? (A) 1728rpm (B) 1680rpm (C) 1440rpm (D) 1152rpm
16. 有一部三相 4P、220VAC、60Hz、10HP的感應電動機,若採用直接起動,則起動電流為 120A,起動轉矩為 30 牛頓-公尺。若改為 Y-Δ 降壓起動,請問起動電流 ( Isy ) 與起動 轉矩(Tsy)分別為何? (A) Isy=40A、Tsy=10 牛頓-公尺 (B) Isy=120A、Tsy=10 牛頓-公尺 (C) Isy=40A、Tsy=30 牛頓-公尺 (D) Isy=120A、Tsy=30 牛頓-公尺
17. 分相式單相感應電動機的定子繞組可以分為主繞組與啟動繞組,請問下列敘述何者正確? (A) 主繞組線徑粗、匝數多 (B) 主繞組線徑粗、匝數少 (C) 主繞組線徑細、匝數多 (D) 主繞組線徑細、匝數少
18. 下列有關火災處理方式之敘述,何者有誤? (A) 二氧化碳滅火器適用於酒精發生之火災 (B) 泡沫滅火器適用於木材、汽油和紙張所發生之火災 (C) 若遇布類之衣服火災時,可以使用消防水或泡沫滅火器滅火 (D)若遇實驗工廠的配電盤發生火災且送電指示燈仍亮時,必須使用消防水或泡沫滅火器 滅火
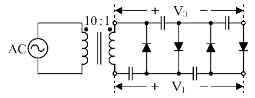
19. 圖(一)之電壓倍增整流電路中,變壓器和二極體皆是理想元件,Vm是變壓器一次側交流 電壓的最大值。請問輸出 V0和 V1的直流電壓為下列何者?
(A) V0=3Vm,V1=4Vm (B) V0=4Vm,V1=3Vm (C) V0=0.4Vm,V1=0.3Vm (D) V0=0.3Vm,V1=0.4Vm
20. 如圖(二)所示之 Vo與 Vi轉移特性曲線,若
,下列截波電路中,何者符合 此轉移特性曲線?(其中二極體是理想元件)
21. 如圖(三)所示之電路,其中二極體是理想元件。若
,下列對輸出 Vo 的 敘述,何者正確?
(A) 最高正電壓為 20V (B) 最高正電壓為 10V (C) 最低負電壓為–20V (D) 最低負電壓為–32V
22. NPN 型電晶體位於順向主動區(工作區)時,下列敘述何者錯誤? (A) 基-射極接面為順向偏壓,基-集極接面為逆向偏壓 (B) 射極電壓小於基極電壓 (C) 集極電壓小於基極電壓 (D) 對於射極電壓、基極電壓和集極電壓,射極電壓最小
23. 處於工作區(主動區)的電晶體,已知集極電流為 14.7mA,基極電流為 0.3mA。請問共基極 組態電流放大因數(α)為何? (A) 0.1 (B) 0.98 (C) 49 (D) 50
複選題
24. 如圖(四)所示之偏壓電路及其直流輸出負載線,當 V
BB
=V
CC
時,若要將工作點由 Q
1
修正 到 Q
2
的位置,可採取下列何項措施?
(A) 增加 R
C
(B) 減少 R
C
(C) 增加 R
B
(D) 減少 R
B
25. 如圖(五)所示之偏壓電路。若電晶體 Q 的共射極組態電流放大因數(β)值為50,請問 I
B
約為多少 μA?
(A) 10 (B) 30 (C) 50 (D) 70
26. 有一電晶體放大電路,其電壓增益、電流增益、功率增益皆高,且輸出電壓與輸入電壓 相差180°。請問該電路應屬下列何種電晶體放大電路組態? (A) 共射極放大器 (B) 共集極放大器 (C) 共基極放大器 (D) 射極隨耦器
27. 有一串級放大器,其第一級電壓增益為 50,第二級電壓增益為 20。請問此狀況下,其 總電壓增益為何? (A) 30dB (B) 60dB (C) 80dB (D) 1000dB
28. 對於多級放大耦合電路,下列何種耦合具有良好的低頻響應? (A) 直接耦合 (B) 電阻電容耦合 (C) 變壓器耦合 (D) 電感電容耦合
29. 有一變壓器的匝數比為 10:1。若在低壓側接上一個 8Ω 的揚聲器,請問在高壓側測得的 阻抗為何? (A) 0.8Ω (B) 8Ω (C) 80Ω (D) 800Ω
30. 有一接面場效電晶體(JFET),其 I
DSS
=6mA,V
GS(OFF)
= –6V。請問當直流偏壓V
GS
=–3V 時,其汲極電流 ID為何? (A) 18mA (B) 3mA (C) 1.5mA (D) 1mA
31. 有關理想運算放大器的特性敘述,下列何者有誤? (A) 頻帶寬度無限大 (B) 輸入電阻為零 (C) 電壓增益無限大 (D) 輸出電阻為零
複選題
32. 對於沒有外加觸發信號的情況下,下列何種振盪器,可產生方波輸出? (A) 無穩態多諧振盪器 (B) 單穩態多諧振盪器 (C) 施密特振盪器 (D) 雙穩態多諧振盪器
33. 對於維持韋恩電橋振盪器工作的電壓增益(AV ),應為下列何者? (A) 3 (B) 1 (C) –1 (D) –2
34. 如圖(六)所示之電路,在開關閉合前已達穩態。若開關 S 在t = 0時閉合,且開關閉合的 瞬間 V
C
= 0V。請問t ms = 3 時,電容兩端之電壓 v
c
應為何?
(A) 12e
-3
V(B) 12-12e
-3
V (C) 12-12e
-3
V (D) 12e
-3
-12 V
35. 有關 2P、250V、5KA、20AF、15AT 之無熔絲開關的特性敘述,下列何者錯誤? (A) 使用電壓應高於 250V (B) 跳脫容量為 15A (C) 框架容量為 20A (D) 起斷容量為 5KA
36. 如圖(七)所示之電路。若 v
s
= 400cos(5t)V,請問電源供應的視在功率應為何?
(A) 20KVA(B) 20 √2 KVA (C) 40KVA (D) 40 √2 KVA
37. 國內低壓電機控制配線電路中,紅色指示燈表示之意義為何? (A) 運轉中 (B) 安全 (C) 開路 (D) 復歸
38. 如圖(八)所示之電路,若v
s1
=100 V, v
s2
=20 V。請問流經8Ω電阻的電流 I 應為何?
(A) 0A (B) 1A (C) 2A (D) 2.5A
39. 下列塑膠管分類中,何者相對最適用於有壓力的給水管? (A) A 管 (B) B 管 (C) E 管 (D) S 管
40. 使用二瓦特表以量度三相平衡負載。若其讀數分別為 2kW 及 1kW,請問此負載的總視在 功率為何? (A) √3 kVA (B) 3kVA (C) 2 √3 kVA (D) 4kVA
41. 一電阻之四色環色碼前三碼為棕黑紅。若其額定功率為 0.1W,且最大工作電壓為 12V。 請問其額定電壓值為何? (A) 10V (B) 12V (C) 22V (D) 100V
42. 如圖(九)所示之直流電路,請問電流 I 值為何?
(A) 3.33mA (B) 2.5mA (C) 1.67mA (D) 0mA
43. 下列有關電儀表之特性與應用,何者敘述有誤? (A) 電壓表與待測元件並聯 (B) 不知待測元件電流大小時,須先採用較小檔位測量 (C) 歐姆表與待測元件並聯 (D) 理想電流表內電阻為零
44. 使用一 25mm、50等分的公制測微計(分厘卡)測量某導線直徑時,襯筒上的主刻度(直度盤) 落在第 7 格與第 8 格之間,而套筒上的副刻度(圓度盤)為第 23 格。請問該導線直徑為何? (A) 7.23mm (B) 5.23mm (C) 3.73mm (D) 1.73mm
45. 如圖(十)所示,當負載電阻 R 可自電源處獲得最大功率時,則電壓V
L
應為何?
(A) 62.5V (B) 50V (C) 37.5V (D) 25V
46. 一內徑 10mm、外徑 12mm 的 PVC 管在做直角彎曲時,最適合的彎曲弧長為何? (A) 110mm (B) 100mm (C) 90mm (D) 80mm
47. 一雙電源之電源供應器設定於追蹤模式。假設主電源區的限流為 1A 且電壓調整鈕設定於 10V,一負載兩端分別接於主電源輸出正極與副電源的輸出負極。若定電流模式指示燈 亮起,請問此負載功率可能為下列何者? (A) 10W (B) 15W (C) 18W (D) 21W
48. 以下有關螢光燈的發光原理,何者敘述有誤? (A) 安定器的主要功能為限制燈管電流 (B) 弧光放電期間燈管電流會越來越高 (C) 起動器短路後,恢復開路的瞬間燈管開始點亮 (D) 點亮後燈管呈現高阻抗
49. 一交流電源提供之有效功率 P與無效功率 Q分別為 500W與 500VAR。若其負載為電感性, 請問其功率因數為何? (A) 0.707 領先 (B) 0.707 落後 (C) 0.5 領先 (D) 0.5 落後
50. 圖(十一)為一數位儲存式示波器在直流檔位下的測量畫面,請問下列敘述何者有誤?
(A) 觸發信號源為 Ch1 (B) 信號 Vo1與 Vo2的頻率約為 10kHz (C) Ch2 信號的平均值 Vo2 ( ave )約為 5V (D) Ch1信號 Vo1的峰對峰振幅約為 20V
申論題 (0)
相關試卷
115年 - 115 四技二專統測_電機與電子群電機類_專業科目(二):電工機械、電工機械實習#139324
115年 · #139324
114年 - 114 身心障礙學生升學大專校院甄試試題_四技二專組(電機與電子群電機類、電機與電子群資電類):基本電學、基本電學實習、電子學實習#137230
114年 · #137230
114年 - 114 身心障礙學生升學大專校院甄試試題_四技二專組(電機與電子群電機類、電機與電子群資電類):基本電學、基本電學實習、 電子學、電子學實習#137214
114年 · #137214
114年 - 114 身心障礙學生升學大專校院甄試試題_四技二專組_電機與電子群電機類_專業科目(二):電工機械、電工機械實習#129034
114年 · #129034
114年 - 114 四技二專統測_電機與電子群資電類_專業科目(二):電工機械、電工機械實習#128986
114年 · #128986
113年 - 113 四技二專統測_電機與電子群資電類_專業科目(二):電工機械、電工機械實習#119580
113年 · #119580
112年 - 112 身心障礙學生升學大專校院甄試試題_四技二專組_電機與電子群電機類_專業科目(二):電工機械、電工機械實習#118648
112年 · #118648
112年 - 112 身心障礙學生升學大專校院甄試試題_四技二專組_電機與電子群資電類_專業科目(一):基本電學、基本電學實習、電子學、電子學實習#118645
112年 · #118645
112年 - 112 四技二專統測_電機與電子群電機類_專業科目(二):電工機械、電工機械實習#114334
112年 · #114334
111年 - 111 身心障礙學生升學大專校院甄試試題_四技二專組_電機與電子群電機類_專業科目(二):電工機械、電工機械實習#118905
111年 · #118905