所屬科目:統測◆03電機與電子群電機類◆(二)電工機械、電子學實習、基本電學實習(110以前)
17. 一部三相 12 極同步發電機,定子共有 144 槽,線圈跨距為 10 槽,其分佈因數為 Kd 、 節距因數為 Kp ,則下列敘述何者正確? (A) (B) (C) Kp = cos75° (D) Kp = sin30°
20. 一部線性感應電動機之極距為 D ( 公尺 ),外加電源頻率為 f ( 赫芝 ),轉差率為 S,則其 同步速度 vs(公尺/秒)為何? (A) (B) (C) (D) 2Df
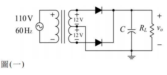
23. 如圖(一 )所示之理想二極體電路,電阻 RL的色碼為(紅棕黃金),電容 C 外觀標示為 105, 輸出電壓 vo 的波形為何?(A) (B) (C)(D)
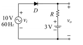
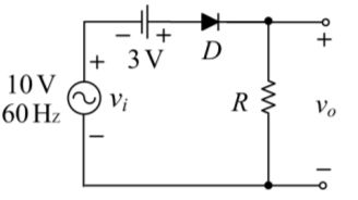
24. 下列哪一個電路之輸入電壓-輸出電壓 ( vi - vo ) 轉換曲線有通過原點? (A) (B) (C) (D)
25. 如圖 ( 二 ) 所示,A、B、C 為某電晶體的三個不同工作點,其靜態功率消耗分別為 PA 、 PB 、PC ,則下列敘述何者正確? (A) PB>PA>PC (B) PA>PC>PB (C) PA>PB>PC (D) PC>PB>PA
26. 如圖(三)( a )所示之電路,示波器顯示 vo 波形如圖(三)( b ),示波器垂直軸刻度旋鈕設定 為 1 VOLTS/DIV,電晶體的β=100,VBE = 0.7V,RB= 465 kΩ,則下列敘述何者正確? (A) 電晶體的工作點在負載線中間 (B) 電晶體的工作點靠近飽和區 (C) 電晶體的工作點靠近截止區 (D) vo與 vi同相位
27. 如圖 ( 四 ) ( a ) 所示之電路,輸入小信號 vi 峰對峰值為 20 mV,示波器垂直軸刻度旋鈕 設定為 0.5VOLTS/DIV,其量測輸出電壓 vo 波形如圖(四)(b )所示,則電壓增益為何? (A) - 100(B) - 25 (C) 25 (D) 100
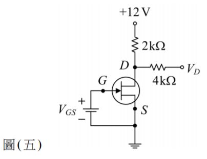
29. 如圖(五)所示之電路,JFET 之截止電壓 VGS(off ) =-4V,IDSS =8mA ,若 VGS =-6 V, 則 VD為何? (A) 12V (B) 8V (C) 4V (D) 0V
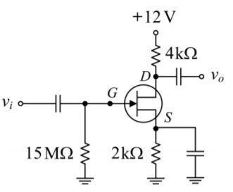
30. 如圖(六)所示之電路,JFET 之截止電壓 VGS(off ) =-4V,IDSS =4mA ,rd = ∞ ; 若 vi = 1.2sin(1000t)mV ,則 vo約為何? (A) - 20.2sin(1000t)mV (B) -12.4sin(1000t)mV (C) -8.2sin(1000t)mV (D) - 4.8sin(1000t)mV
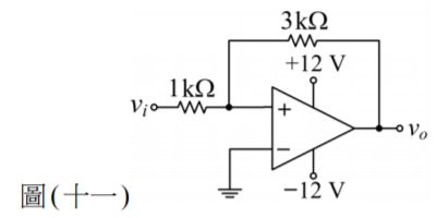
31. 下列有關圖(七)所示的理想運算放大器電路之敘述,何者正確? (A) RP可限制低頻電壓增益 (B) RP可提升輸出阻抗 (C) RP用來限制高頻電壓增益 (D) RP使 A 和 B 兩端點電壓不相等
32. 如圖(八)所示之理想運算放大器電路,若 vi = 0.5sin(30t) mV,則 vo之平均值約為何? (A) - 15V (B) - 6V (C) 4V (D) 8V
33. 如圖 ( 九 ) 所示之振盪電路,若 C = 0.01µF,Rf - R = 140 kΩ,= 2.45,若電路能正常 振盪且電壓增益為 29,則下列敘述何者正確? (A) v o頻率約為 7800Hz (B) vo頻率約為 1300Hz (C) R=10 kΩ (D) R=15 kΩ
34. 下列有關圖(十)所示電路之敘述,何者正確? (A) v o責任週期為 50 % (B) vo波形為三角波 (C) vo頻率約為476Hz (D) 電路為雙穩態多諧振盪器
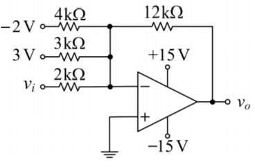
35. 如圖 ( 十一 ) 所示之電路,運算放大器之輸出正、負飽和電壓分別為 + 10 V 和 - 10 V,若 vi = 6sin(60πt) V,則下列敘述何者正確? (A) v o 為正弦波(B) vo 為餘弦波 (C) vo 頻率為 60Hz (D) v o 頻率為 30Hz
37. 如圖(十二)所示之電路,若電流表流過的電流值為 0 安培,則R值為何? (A) 175 kΩ (B) 17.5 kΩ (C) 1.75 kΩ (D) 17.5Ω
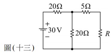
39. 如圖(十三) 所示之電路,若電阻R可獲得最大功率,則R值為何? (A) 45Ω (B) 25Ω (C) 15Ω (D) 10Ω
45. RLC 並聯電路外加交流電壓源,交流電流表分別量測各分支電流,電阻器電流為 10 A、 電感器電流為 10A 及電容器電流為 10A,則交流電壓源之電流為何? (A) 30A (B) 20A (C) 10A (D) 10A