
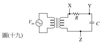
(A) CH 1 接 X 點,CH 1 黑色鱷魚夾接 Y 點; CH 2 接 Y 點,CH 2 黑色鱷魚夾接 Z 點,CH 2 波形反相 (B) CH 1 接 X 點,CH 1 黑色鱷魚夾接 Y 點; CH 2 接 Z 點,CH 2 黑色鱷魚夾接 Y 點,CH 2 波形反相 (C) CH 1 接 Y 點,CH 1 黑色鱷魚夾接 X 點; CH 2 接 Z 點,CH 2 黑色鱷魚夾接 X 點,CH 1 波形反相 (D) CH 1 接 X 點,CH 1 黑色鱷魚夾接 Z 點; CH 2 接 Y 點,CH 2 黑色鱷魚夾接 Z 點,CH 2 波形反相