阿摩線上測驗
登入
首頁
>
工程力學(包括流體力學與材料力學)
> 101年 - 101 鐵路特種考試_高員三級_土木工程:工程力學(包括流體力學與材料力學)#26354
101年 - 101 鐵路特種考試_高員三級_土木工程:工程力學(包括流體力學與材料力學)#26354
科目:
工程力學(包括流體力學與材料力學) |
年份:
101年 |
選擇題數:
0 |
申論題數:
5
試卷資訊
所屬科目:
工程力學(包括流體力學與材料力學)
選擇題 (0)
申論題 (5)
【已刪除】一、如圖所示簡支梁受垂直力作用,試繪出剪力圖及彎矩圖。(20 分)
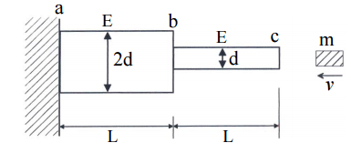
【已刪除】二、圖示軸向受力圓桿,若受一質量 m=20 kg 鐵塊,以速度 v=35 m/sec 撞擊自由端, 試求其自由端最大變位量,已知:E=200 GPa、d=0.1 m、L=2 m。(20 分)
【已刪除】三、有一複合桿件係由鋁片夾合黃銅片所組合而成如圖所示,該桿件受到一荷載P=40 kN; 若鋁片之楊氏模數E
a
=72 GPa,黃銅之楊氏模數E
b
=100 GPa,則鋁片及黃銅片所受 之正應力分別為何?又該桿件之軸向變形量為何?(20 分)
【已刪除】四、下圖所示之結構中,A點為固定端,B點為中間支承,梁上受有均布載重q及集中載 重P之作用,假設EI為定值,試計算C點之變位量δc。(20 分)
五、試說明自由渦流(free vortex)及強制渦流(forced vortex)之速度分布有何不同? 何者為非旋轉流?並說明其原因。(20 分)
相關試卷
114年 - 114 公務升官等考試_薦任_土木工程:工程力學(包括流體力學與材料力學)#133245
114年 · #133245
113年 - 113 地方政府公務特種考試_三等_土木工程:材料力學#124539
113年 · #124539
112年 - 112 公務升官等考試_薦任_土木工程:工程力學(包括流體力學與材料力學)#117162
112年 · #117162
112年 - 112 原住民族特種考試_三等_土木工程:工程力學(包括流體力學與材料力學)#116539
112年 · #116539
111年 - 111 原住民族特種考試_三等_土木工程:工程力學(包括流體力學與材料力學)#110630
111年 · #110630
110年 - 110 公務升官等考試_薦任_土木工程、結構工程:工程力學(包括流體力學與材料力學)#103690
110年 · #103690
110年 - 110 原住民族特種考試_三等_土木工程:工程力學(包括流體力學與材料力學)#101004
110年 · #101004
109年 - 109 原住民族特種考試_三等_土木工程:工程力學(包括流體力學與材料力學)#90831
109年 · #90831
108年 - 108 公務人員升官等公務薦任_土木工程:工程力學(包括流體力學與材料力學)#80522
108年 · #80522
108年 - 108 特種考試原住民族三等 工程力學(包括流體力學與材料力學)#79058
108年 · #79058