所屬科目:工程力學(包括流體力學與材料力學)
一、
⑵
三、如圖⑶所示,如果梁內的彎曲應力(σ )不超過 120 MPa,請問最大彎 矩 M 之值為何?(25 分)
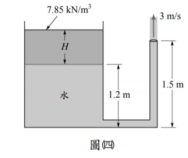
四、如圖⑷所示,水(假設為無黏性且不可壓縮)以3 m/s 的速率穩定地從大型水 槽流出。在水槽下半部裝有水,上半部則為輕質液體(比重量 = 7.85 kN/m3), 試求 H 為何?(25 分)