阿摩線上測驗
登入
首頁
>
電機機械
> 102年 - 102年專門職業及技術人員高等建築師、技師、第二次食品技師暨普通不動產經紀人、記帳士考高等_機械工程技師#26010
102年 - 102年專門職業及技術人員高等建築師、技師、第二次食品技師暨普通不動產經紀人、記帳士考高等_機械工程技師#26010
科目:
電機機械 |
年份:
102年 |
選擇題數:
0 |
申論題數:
8
試卷資訊
所屬科目:
電機機械
選擇題 (0)
申論題 (8)
一、有一部四極、60 Hz、400 V 之三相 Y 接同步電動機,每相輸出功率為 2 kW,計算 此同步電動機之總力矩。(20 分)
⑴如圖電路的開關 S,若向下扳而使電流連通之瞬間當作零秒起算,以每五秒為間 隔,繪出 v
R
和 v
C
直到五十秒時刻的變化曲線。(14 分)
⑵計算此電路之時間常數(time constant)。(6 分)
【已刪除】⑴橫軸以角度(deg)表示,角頻率ω 由自己訂定,繪出下列交流電壓的波形:(16 分)
⑵兩個波形之相位差多少?(4 分)
四、從電動機械的觀點,請敘述你對於名詞稀土元素(Rare earth element)的了解。 (10 分)
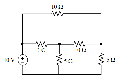
【已刪除】五、對於 10 V 直流電源的電路,計算通過 2 歐姆電阻的電流。(20 分)
六、繪圖並且敘述音圈馬達(voice coil motor)的構造、原理以及應用。(10 分)
相關試卷
115年 - 115 關務特種考試_三等_電機工程(選試英文):電機機械#138915
115年 · #138915
114年 - 114 台灣自來水股份有限公司_評價職位人員甄試試題_技術士操作類-甲(機電)、技術士操作類-甲(限具中級以上電氣技術人員資格報考)、技術士操作類-甲(機電)(限原住民族報考):電機(工)機械#139521
114年 · #139521
114年 - 114 地方政府公務特種考試_三等_電力工程:電機機械#134760
114年 · #134760
114年 - 114 專技高考_電機工程技師:電機機械#133717
114年 · #133717
114年 - 114 關務升官等考試、交通事業郵政升資考試_薦任、員級晉高員級_電力工程、技術類(選試電機機械)—關務、郵政:電機機械#133262
114年 · #133262
114年 - 114 交通事業郵政升資考試_佐級晉員級_技術類(選試電機機械概要)—郵政:電機機械概要#133211
114年 · #133211
114年 - 114 高等考試_二級_電力工程:電機機械#131612
114年 · #131612
114年 - 114 高等考試_三級_電力工程:電機機械#128777
114年 · #128777
114年 - 114 關務特種考試_三等_電機工程(選試英文):電機機械#126668
114年 · #126668
113年 - 113-2 國營臺灣鐵路股份有限公司_從業人員甄試_第8階-助理工程師-機械 第8階-助理工程師-電機:電機機械#137140
113年 · #137140