阿摩線上測驗
登入
首頁
>
電機機械
>
102年 - 102年專門職業及技術人員高等建築師、技師、第二次食品技師暨普通不動產經紀人、記帳士考高等_機械工程技師#26010
> 申論題
題組內容
二、
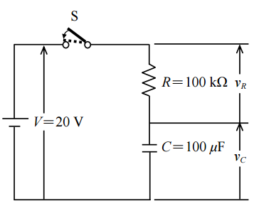
⑵計算此電路之時間常數(time constant)。(6 分)
相關申論題
一、有一部四極、60 Hz、400 V 之三相 Y 接同步電動機,每相輸出功率為 2 kW,計算 此同步電動機之總力矩。(20 分)
#40130
⑴如圖電路的開關 S,若向下扳而使電流連通之瞬間當作零秒起算,以每五秒為間 隔,繪出 vR和 vC直到五十秒時刻的變化曲線。(14 分)
#40131
⑵兩個波形之相位差多少?(4 分)
#40134
四、從電動機械的觀點,請敘述你對於名詞稀土元素(Rare earth element)的了解。 (10 分)
#40135
六、繪圖並且敘述音圈馬達(voice coil motor)的構造、原理以及應用。(10 分)
#40137
四、有一部分激式直流電動機,已知分激場電阻為 500 Ω,電樞電阻為 10 Ω, 額定激磁電流為 0.5 A,額定電樞電流為 3 A。此電動機於外加額定電壓下, 其實驗測試數據如表一所示。若不計電刷壓降、電樞反應、鐵損以及機械損失,根據上述實驗數據,此電動機之額定轉速與額定效率各約為何? (25 分)
#569836
三、某製造廠有兩部具備並聯運轉條件之三相交流同步發電機 A 與 B,額定 容量分別為 3 MW 與 4 MW,單機之頻率-負載功率特性曲線(frequency- power curve)如圖二所示。若將此兩部同步發電機進行並聯運轉,供應 5 MW 之負載,則並聯後之系統頻率(Hz)為若干?又每部發電機各分攤 多少負載功率(MW)?(25 分)
#569835
二、有一部額定電壓 380 V(線電壓),額定頻率 60 Hz,三相四極 Y 接之 感應電動機,其參考至定子側之單相等效電路參數如下:R1 = 0.35 Ω、 R2 = 0.2 Ω、X1= 0.65 Ω、X2 = 0.5 Ω、XM = 15.5 Ω。若電動機操作於正常狀態下,已知轉差為 0.025,無載旋轉損與雜散損共 750 W,且該電動機 於啟動時施加額定頻率與額定電壓,試計算啟動轉矩、最大轉矩、與軸 端輸出轉矩分別約為多少公斤米(kgm)?(25 分)
#569834
一、某一電氣機械系統如圖一所示,系統中固定部分繞有 N 匝線圈,與可動部分之間存在一氣隙,其長度為 lg,線圈輸入端連接電源電壓 v 產生電流 i, 進而在磁路中產生磁交鏈 λ 控制電樞可動部分。假設系統導磁鐵芯為理想,磁路截面積為 A,且無漏磁,而氣隙之邊緣效應亦可忽略,已知輸入 電流為 I0,請推導此系統可動部分向上吸引力 F 之計算式。(25 分)
#569833
3. 今透過轉子外串電阻R,使起動時產生最大電磁轉矩,則R應為何?同時, 起動電流變為原起動時的百分之多少?
#562401
相關試卷
115年 - 115 關務特種考試_三等_電機工程(選試英文):電機機械#138915
115年 · #138915
114年 - 114 台灣自來水股份有限公司_評價職位人員甄試試題_技術士操作類-甲(機電)、技術士操作類-甲(限具中級以上電氣技術人員資格報考)、技術士操作類-甲(機電)(限原住民族報考):電機(工)機械#139521
114年 · #139521
114年 - 114 地方政府公務特種考試_三等_電力工程:電機機械#134760
114年 · #134760
114年 - 114 專技高考_電機工程技師:電機機械#133717
114年 · #133717
114年 - 114 關務升官等考試、交通事業郵政升資考試_薦任、員級晉高員級_電力工程、技術類(選試電機機械)—關務、郵政:電機機械#133262
114年 · #133262
114年 - 114 交通事業郵政升資考試_佐級晉員級_技術類(選試電機機械概要)—郵政:電機機械概要#133211
114年 · #133211
114年 - 114 高等考試_二級_電力工程:電機機械#131612
114年 · #131612
114年 - 114 高等考試_三級_電力工程:電機機械#128777
114年 · #128777
114年 - 114 關務特種考試_三等_電機工程(選試英文):電機機械#126668
114年 · #126668
113年 - 113-2 國營臺灣鐵路股份有限公司_從業人員甄試_第8階-助理工程師-機械 第8階-助理工程師-電機:電機機械#137140
113年 · #137140