阿摩線上測驗
登入
首頁
>
鐵路◆電機機械(概要)
>
102年 - 102 鐵路特種考試_高員三級_電力工程:電機機械#26011
> 申論題
題組內容
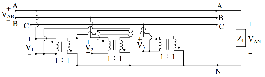
一、茲有三台相同之理想單相變壓器,其兩側匝數比均為 1,今將其聯接於如圖所示之 平衡 480 V 三相三線式電力系統,以供電單相負載 Z
L
。假設已知圖中 V
1
、V
2
、V
3
之電壓相量依序為
⑵假設負載 Z
L
最大允許功率為 100 kVA,試求單相變壓器之 kVA 額定值。(10 分)
相關申論題
二、有一台額定為 200 V,7 hp 串激式直流電動機,當其以額定電壓驅動一風扇時,其 轉速及電樞電流分別為 500 轉/分及 25 安培,假設已知其電樞電阻 Ra=0.6 Ω,場 繞組電阻 Rf=0.4 Ω 且磁飽和,旋轉損失及電樞反應均可忽略,試求該串激式直流 電動機輸送至風扇之功率及其轉矩。(25 分)
#40140
⑴吾人若欲並聯一部三相同步發電機到電力系統,請問該發電機端電壓必須符合那 些條件?(16 分)
#40141
⑵若有二部同步電機之轉子是耦合在同一轉軸上,已知同步機 G1 是並聯於三相平 衡電力系統,其頻率為 60 Hz,而另部同步機 G2 則由 G1 驅動作為變頻發電機, 欲提供頻率為 180 Hz 之電壓源予其負載使用,已知 G1 之極數為 4,則 G2 之極 數應為多少?(9 分)
#40142
⑴試利用該等效電路為線性系統,僅須修正其滑差 S,繪出其施加負序平衡三相電 源時之單相弦波穩態電路,假設電源頻率不變且轉子旋轉方向仍為正序時之旋轉 方向。(10 分)
#40143
一、降雨動能是用來評估土壤沖蝕降雨逕流因子(The rainfall and runoff factor)的參數。 試說明估算一場降雨之動能需要那些水文資料?以及如何估算?(20 分)
#40145
二、通用土壤流失公式(The Universal Soil Loss Equation,簡稱 USLE)適用之最短坡長 為何?為何太短的坡長不適用?(20 分)
#40146
三、農民常被鼓勵在農地施作綠肥。試說明綠肥為何對控制土壤沖蝕有效益。(20 分)
#40147
四、沈砂池(sediment basin)常被用來控制沖蝕之泥砂流到下游地區之一種工法。試說 明一般沈砂池之工程應包含那些?(如進水口)(20 分)
#40148
五、非點源污染(Non-Point Source Pollution)絶大部分來自於坡地集水區農地之土壤沖 蝕。試說明造成臺灣坡地集水區農地大量土壤沖蝕之原因及改善之法。(20 分)
#40149
一、近代設計風格歷經現代主義、後現代主義,至 21 世紀初風格又轉變了。現代主義 強調均衡、調和、統一、單純等原則,但在後現代設計中似乎一切都遭到顛覆。後 現代設計中製造矛盾、尋求不確定性、去中心化的思維大行其道。而 21 世紀初風 格又轉變為單純、簡單(但與現代主義的“簡單"不同)。請就上述三個時期的風 格遞嬗,從時代精神、社會背景、思潮等各種因素,論證此種設計風格輪替循環的 週期現象是何以致之?(30 分)
#40150
相關試卷
113年 - 113-2 國營臺灣鐵路股份有限公司_從業人員甄試試題_第9階-技術員-電機 第9階-技術員-機械 第10階-助理技術員-電機:電機機械概要#137153
113年 · #137153
113年 - 113 國營臺灣鐵路股份有限公司_從業人員甄試_第 9 階-技術員-電機:電機機械概要#119077
113年 · #119077
113年 - 113 國營臺灣鐵路股份有限公司_從業人員甄試_第 10 階-助理技術員-電機:電機機械概要#118986
113年 · #118986
112年 - 112 鐵路特種考試_高員三級_電力工程:電機機械#114856
112年 · #114856
111年 - 111 鐵路特種考試_高員三級_電力工程:電機機械#108599
111年 · #108599
110年 - 110 鐵路特種考試_高員三級_電力工程:電機機械#101670
110年 · #101670
109年 - 109 鐵路人員特考_高員三級_電力工程:電機機械#87163
109年 · #87163
108年 - 108 鐵路高員三級 電機機械#76898
108年 · #76898
107年 - 107 鐵路高員三級 - 電機機械#69604
107年 · #69604
106年 - 106年鐵路特考高員三級- 電機機械#62560
106年 · #62560