阿摩線上測驗
登入
首頁
>
電力系統
> 102年 - 102年專門職業及技術人員高等建築師、技師、第二次食品技師暨普通不動產經紀人、記帳士考高等_電機工程技師#29295
102年 - 102年專門職業及技術人員高等建築師、技師、第二次食品技師暨普通不動產經紀人、記帳士考高等_電機工程技師#29295
科目:
電力系統 |
年份:
102年 |
選擇題數:
0 |
申論題數:
5
試卷資訊
所屬科目:
電力系統
選擇題 (0)
申論題 (5)
一、三相、161 kV、60 Hz 之超高壓輸電線路,採用位在同一水平面上之三根相同導體, 各導體之長度為 200 m、外徑為 4 cm,兩相鄰最近導體之中心點距離為 12 m。假設 三個導體間的相對介電常數為 1.0,試求該輸電線路對大地的電容抗為多少歐姆? 以及每相導體的充電電流為多少安培?(20 分)
【已刪除】二、一條輸電線連接於匯流排 A 及匯流排 B 之間,此輸電線供應給匯流排 B 之標么實 功率及標么虛功率分別為 P 及 Q。假設匯流排 A 之標么電壓為
A
= |V
A
|∠θ
A
,匯流 排 B 之標么電壓為
B
= |V
B
|∠θ
B
,線路標么阻抗為Z = |Z|∠θZ,試推導出以兩匯流排 標么電壓參數及線路標么阻抗參數所表示的 P、Q 完整方程式。(20 分)
三、一個單相、110 V、60 Hz 之家用交流電源插座,經由一個理想的電力開關連接至 一個串聯等效的電阻-電感電路(RL circuit),已知該等效電阻-電感電路之參數 為 R = 10 Ω、L = 0.2 H。若在交流電壓源瞬間電壓為 50 V 時將電力開關閉合,試求 流經該等效電阻-電感電路之直流電流成分為多少?當電壓源瞬間電壓為多少時,必 須將電力開關閉合,可獲得該等效電阻-電感電路之最大直流電流成分?並求其最大 直流電流成分為多少?(20 分)
【已刪除】四、一 個 電 廠 內 有 兩 部 發 電 機 組 , 各 機 組 之 燃 料 遞 增 成 本 分 別 如 下 : 一 號 機
,二號機為
,其中 F 以每小時之燃料成本費用 為單位($/h),P 則以 MW 為單位。若每一部機組的最大負載及最小負載分別為 125 MW 及 20 MW,總負載量為 150 MW 固定值。試比較兩發電機在經濟分配運轉 下以及平均分攤負載運轉下,每單位小時所節省的燃料總成本。(20 分)
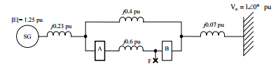
【已刪除】五、如圖所示之系統架構,為單部同步發電機(SG)經兩條輸電線連接無限匯流排之系 統,圖中的參數均係以同步發電機之額定值為基準之標么值,忽略電阻不計。假設 在三相短路故障發生之前,同步發電機輸出額定 1.0 pu 之電力。試求當一個三相短 路故障 F 發生在鄰近斷路器 B 之處,使斷路器 A、B 同時開啟時,該系統臨界清 除角之值。(20 分)
相關試卷
115年 - 115 關務特種考試_三等_電機工程(選試英文):電力系統#138944
115年 · #138944
114年 - 114 地方政府公務特種考試_三等_電力工程:電力系統#134738
114年 · #134738
114年 - 114 專技高考_電機工程技師:電力系統#133708
114年 · #133708
114年 - 114 公務升官等考試_薦任_電力工程:電力系統#133165
114年 · #133165
114年 - 114 高等考試_二級_電力工程:電力系統#131586
114年 · #131586
114年 - 114 高等考試_三級_電力工程:電力系統#128774
114年 · #128774
114年 - 114 關務特種考試_三等_電機工程(選試英文):電力系統#126644
114年 · #126644
113年 - 113 臺灣菸酒股份有限公司_從業職員及從業評價職位人員甄試試題_電子電機:電力系統(含電路學)#133978
113年 · #133978
113年 - 113 地方政府公務特種考試_三等_電力工程:電力系統#124553
113年 · #124553
113年 - 113 專技高考_電機工程技師:電力系統#123952
113年 · #123952