阿摩線上測驗
登入
首頁
>
工程力學(包括流體力學與材料力學)
> 102年 - 102 原住民族特種考試_三等_土木工程:工程力學(包括流體力學與材料力學)#25832
102年 - 102 原住民族特種考試_三等_土木工程:工程力學(包括流體力學與材料力學)#25832
科目:
工程力學(包括流體力學與材料力學) |
年份:
102年 |
選擇題數:
0 |
申論題數:
5
試卷資訊
所屬科目:
工程力學(包括流體力學與材料力學)
選擇題 (0)
申論題 (5)
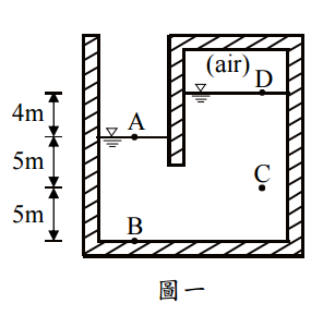
【已刪除】一、如圖一所示油槽,已知油比重為 0.85。若其左側暴露在大氣中,油面與大氣接觸, 右側則於封閉空間並充入空氣,試求 A、B、C、D 點之錶壓力(單位採 kPa)。 (20 分)
【已刪除】二、如圖二所示長度為 L 之一根均勻桿置放在一傾斜面上,此桿單位長度重量為ρ。若 不計桿件二端接觸點的摩擦力,以一水平推力 H 施加在桿底部 B 點時能維持平衡狀 態,試求此 H 力,其中 H = (ρL/2)×(1/(***)),請填入(***)資料。(20 分)
【已刪除】三、如圖三所示可以自由彎曲但無法伸長及縮短的繩子 AB,已知繩子長度為 L 且其單 位重為 ρ。若將該繩放置在不計摩擦之平滑桌面上,繩子於 d = L/3 時靜止釋放而滑 動,試求該繩端 B 點恰離開桌面時之速度。(20 分)
【已刪除】四、如圖四所示一平面應力單元,其上受平面應力 σ
x
,σ
y
,σ
xy
,各應力大小及方向如圖 四所示。試求最大剪應力、主應力與主應力面,並將此主應力面繪製於單元圖上。 (20 分)
【已刪除】五、如圖五所示一懸臂梁,其 EI 值為常數,右側 BC 段承受一均佈載重 w,試求此載重 下 C 點之垂直位移Δ c及轉角 θ
c
。(20 分)
相關試卷
114年 - 114 公務升官等考試_薦任_土木工程:工程力學(包括流體力學與材料力學)#133245
114年 · #133245
113年 - 113 地方政府公務特種考試_三等_土木工程:材料力學#124539
113年 · #124539
112年 - 112 公務升官等考試_薦任_土木工程:工程力學(包括流體力學與材料力學)#117162
112年 · #117162
112年 - 112 原住民族特種考試_三等_土木工程:工程力學(包括流體力學與材料力學)#116539
112年 · #116539
111年 - 111 原住民族特種考試_三等_土木工程:工程力學(包括流體力學與材料力學)#110630
111年 · #110630
110年 - 110 公務升官等考試_薦任_土木工程、結構工程:工程力學(包括流體力學與材料力學)#103690
110年 · #103690
110年 - 110 原住民族特種考試_三等_土木工程:工程力學(包括流體力學與材料力學)#101004
110年 · #101004
109年 - 109 原住民族特種考試_三等_土木工程:工程力學(包括流體力學與材料力學)#90831
109年 · #90831
108年 - 108 公務人員升官等公務薦任_土木工程:工程力學(包括流體力學與材料力學)#80522
108年 · #80522
108年 - 108 特種考試原住民族三等 工程力學(包括流體力學與材料力學)#79058
108年 · #79058