阿摩線上測驗
登入
首頁
>
機械設計
> 102年 - 102 地方政府特種考試_三等_機械工程:機械設計#31323
102年 - 102 地方政府特種考試_三等_機械工程:機械設計#31323
科目:
機械設計 |
年份:
102年 |
選擇題數:
0 |
申論題數:
4
試卷資訊
所屬科目:
機械設計
選擇題 (0)
申論題 (4)
一、有一對壓力角為 20°的全齒深漸開線正齒輪,齒冠 a=m,速比(r
v
)為 1/4,模數 m 為 6,小齒輪齒數(T
2
)為 18,試求這對齒輪的接觸比 rc(Contact ratio)。(25 分)
【已刪除】二、有一由琴鋼絲所製成的螺旋壓縮彈簧,琴鋼絲的剪剛性模數 G 為 3 79.×10
3
MPa,彈 簧的平均圈徑為 30 mm,鋼絲的直徑為 3 mm,有效圈數為 7 圈,剪力修正因數
,綜合剪應力集中校正因數
,負荷(Load)由 0 變化 至 60 N,抗剪強度(Torsional strength) S
su
=1160 MPa ,剪持久限(Endurance limit) S
e
= 320 MPa ,試以修正 Goodman 破壞理論計算該螺旋彈簧之安全係數。(25 分)
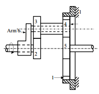
【已刪除】三、如圖所示之行星齒輪系,其中太陽齒輪 2 為輸入件,其轉速為 350 rpm,方向如圖 所示,太陽齒輪 5 為輸出件,環齒輪 1 被固定成機架。已知齒輪 1、2、3、4 與 5 的模數皆為 4 mm,齒輪 2 的齒數為 24,複合齒輪 3 與 4 的齒數分別為 36 與 20, 試求環齒輪 1 與太陽齒輪 5 的齒數以及齒輪 5 的轉速與方向。(25 分)
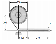
【已刪除】四、如圖所示之皮帶制動器,其摩擦係數為 0.30,最大的操作力 F 為 400 N,皮帶的寬 度為 50 mm,試求皮帶的張力及制動扭力。(25 分)
相關試卷
115年 - 115 身心障礙特種考試_四等_機械工程:機械設計概要#138890
115年 · #138890
115年 - 115 身心障礙特種考試_三等_機械工程:機械設計#138882
115年 · #138882
114年 - 114 地方政府公務特種考試_三等_機械工程:機械設計#134728
114年 · #134728
114年 - 114 地方政府公務特種考試_四等_機械工程:機械設計概要#134719
114年 · #134719
114年 - 114 公務、關務升官等考試_薦任_機械工程、技術類(選試機械設計)-關務:機械設計#133265
114年 · #133265
114年 - 114 交通事業港務升資考試_員級晉高員級_技術類(選試機械設計)-港務:機械設計#133244
114年 · #133244
114年 - 114 高等考試_二級_機械工程:機械設計學#131583
114年 · #131583
114年 - 114 原住民族特種考試_四等_機械工程:機械設計概要#130917
114年 · #130917
114年 - 114 高等考試_三級_機械工程:機械設計#128741
114年 · #128741
114年 - 114 普通考試_機械工程:機械設計概要#128447
114年 · #128447