阿摩線上測驗
登入
首頁
>
電子學
> 102年 - 102 專技高考_專利師:電子學#44057
102年 - 102 專技高考_專利師:電子學#44057
科目:
電子學 |
年份:
102年 |
選擇題數:
0 |
申論題數:
5
試卷資訊
所屬科目:
電子學
選擇題 (0)
申論題 (5)
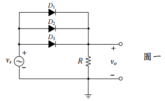
【已刪除】一、如圖一所示,假設 D
1
, D
2
, D
3
為特性完全相同之二極體,其等效電路皆相同,其順向 導通之等效電阻為 r,逆向等效電阻無限大,而切入電壓(cut-in voltage)為V
D 0
, 二極體之等效電路以片段式線性模型(piecewise linear model)來計算,請畫出此電路 之輸入輸出關係圖( v
s
− v
o
),同時標示其斜率。(8 分)若 v
s
為一正弦波輸入, 請將輸入及輸出電壓隨時間變化的波形關係,同時畫在一電壓-時間( v − t )的座 標圖上,同時說明兩組波形不同的原因及其電壓峰值之差異值。(12 分)
二、請畫圖說明一 PNP 雙極性電晶體在工作模式(active mode)狀態,其電洞如何從射極 移動到集極來產生電流,並請說明電洞在射極、基極及集極間的移動機制。(20 分)
【已刪除】三、如圖二所示,假設 R
1
= 200 k Ω , R
2
= R
3
= R
4
= 3 k Ω , R
5
= R
6
= 5 k Ω , V
BB
= 4 V , V
CC
= 12 V , β = 120 ,請計算此電路的電壓增益。(20 分)
四、請畫圖說明 flash A/D converter 之電路架構、操作原理及其優缺點(特點)。(20 分)
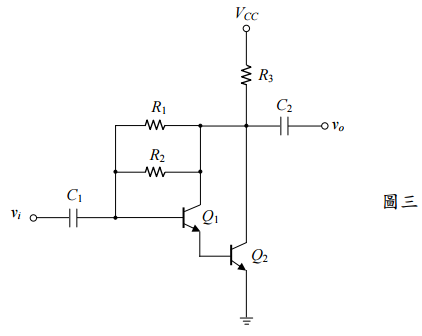
【已刪除】五、如圖三所示,假設R
1
= R
2
= 4 M Ω ,R
3
= 2 k Ω ,C
1
= C
2
= ∞ ,V
CC
= 6 ,β
1
= β
2
= 100 , V 請計算此電路的電壓增益。(20 分)
相關試卷
114年 - 114 地方政府公務特種考試_三等_電力工程、電子工程、電信工程:電子學#134800
114年 · #134800
114年 - 114 地方政府公務特種考試_四等_電力工程、電子工程、電信工程:電子學概要#134742
114年 · #134742
114年 - 114 專技高考_電子工程技師:電子學#133712
114年 · #133712
114年 - 114 公務升官等考試_薦任_電力工程、電子工程、電信工程:電子學#133247
114年 · #133247
114年 - 114 原住民族特種考試_四等_電子工程:電子學概要#130947
114年 · #130947
114年 - 114 專技高考_專利師(選試專業英文及電子學)、專利師(選試專業日文及電子學):電子學#130110
114年 · #130110
114年 - 114 普通考試_電力工程、電子工程、電信工程:電子學概要#128790
114年 · #128790
114年 - 114 高等考試_三級_電力工程、電子工程、電信工程:電子學#128768
114年 · #128768
113年 - 113-2 國營臺灣鐵路股份有限公司_從業人員甄試試題_第10階-助理技術員-電務 第10階-助理技術員-電力:電子學概要#137201
113年 · #137201
113年 - 113 臺灣菸酒股份有限公司_從業職員及從業評價職位人員甄試試題_從業職員_電子電機:電子學#133997
113年 · #133997