阿摩線上測驗
登入
首頁
>
機械設計
> 102年 - 102 高等考試_二級_機械工程:機械設計學#33749
102年 - 102 高等考試_二級_機械工程:機械設計學#33749
科目:
機械設計 |
年份:
102年 |
選擇題數:
0 |
申論題數:
9
試卷資訊
所屬科目:
機械設計
選擇題 (0)
申論題 (9)
⑴扭轉一枝粉筆導致斷裂時,其斷裂方向一定和粉筆的軸成 45 度,是因為在這個 方向上有最大剪應力的緣故。
⑵同一材料的降伏強度(yielding strength)是剪力降伏強度(yielding strength in shear)的一半。
⑶飛機等航空器結構設計上需要更高的安全係數,以使結構輕量化
⑷長柱結構破壞模式是挫曲(buckling)時,須採用高強度材料以防止破壞。
⑸一般來說結構剛性較低時自然頻率較高,比較容易受外界振動源影響發生共振 (resonance)。
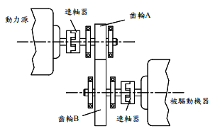
【已刪除】二、試繪圖描述兩正齒輪咬合時之基圓、節圓、壓力線、壓力角,並推導兩齒輪間正向 負荷(W
n
)、切線負荷(W
t
)及徑向負荷(W
r
)的關係。(8 分)如下圖中減速機構採用壓力 角為 20 度、模數為 2 的正齒輪,齒輪 A 為 20 齒,齒輪 B 為 60 齒,動力源傳輸功 率是 6kW,被驅動機器轉速 600rpm,齒輪 A、B 之間傳輸扭矩為多少牛頓米( N⋅m )? (6 分)齒輪 A、B 承受的切線負荷及徑向負荷各為多少牛頓(N)?(6 分)列出計 算過程,答案中圓周率 π 及三角函數如 tan20
o
之數值無需實際算出。
三、「步進馬達(step motor)」隨著控制器給予的脈波訊號而轉動,角度與轉速極容易 控制,廣泛用於電子產品中,如列表機、磁碟機、影印機、傳真機及醫療器材上。 在步進馬達中通常會標示其「步進角(step angle)」,也就是輸入步進馬達一個脈 衝,馬達軸的轉動角度,例如一般標準的步進角為 7.5 度或 15 度,也就是一轉 360 度時需要輸入 48 個脈衝或 24 個脈衝,步進角越小,越能做精確的控制。今有一個 步進角為 3.6 度的步進馬達,如轉速要控制在 150rpm,控制器需要對步進馬達輸入 的脈波頻率為何?(5 分)將此馬達連接一導程為 1mm 之螺桿,以驅動鑽床的夾具, 試問此方式可達成之位置精度為何?(5 分)系統輸入多少個脈波訊號,可使夾具 產生 20mm 之位移?(5 分)此種位置控制方式為開迴路控制,如欲修改成為閉迴 路控制方式,應如何設計?(5 分)
【已刪除】四、四連桿機構中必定有一個固定連桿,和固定連桿連接的一個連桿為驅動連桿或輸入 連桿,機構學上的專有名詞也叫做「輸入曲柄(input crank)」。另外一個和固定 連桿相連的連桿為被驅動連桿,或者叫做「輸出曲柄(output crank)」,輸入和輸 出曲柄之間的連桿叫做「連接連桿(coupler link)」,各個連桿的相對關係如下圖左 所示。四連桿機構依其動作方式又可分為「曲柄搖桿(crank and rocker)」機構,輸 入曲柄可以作 360 度完全旋轉,其他連桿則只作往復震盪動作;「雙曲柄(double crank)」機構,除固定連桿外其他三個連桿都可以相對於固定連桿作 360 度完全旋 轉;「雙搖桿(double rocker)」機構,輸入和輸出曲柄都只能作往復震盪動作。 下圖右汽車雨刷機構是由兩組四連桿機構(1, 2, 3, 4)和(1, 4, 5, 6)組成。由雨刷機構的 動作,兩組四連桿機構的名稱分別為何?(8 分)兩組四連桿中,何者為固定連桿、 輸入曲柄、輸出曲柄、連接連桿?(8 分)整組機構共有幾個自由度?(4 分)
【已刪除】五、在 CAD 軟體中常以輸入控制點的方式來定義自由曲線,稱作「合成曲線(synthetic curve)」。合成曲線是由設計者根據其設計需求輸入的幾何資訊,來「合成」出這 條曲線,且通常以參數的形式來表現,如下式即為一個三次曲線之參數表示式:
設 4 個控制點座標分別為 P
0
=(1, 3)、P
1
=(3, 5)、P
2
=(5, 4)、P
3
=(7, 1),試計算此曲線 在參數 u= 0、u=1/3、u=2/3、u=1 時之位置,(10 分)並大略繪出此曲線。(5 分) 對於任意控制點 P
0
、P
1
、P
2
、P
3
,此參數式所表達曲線為何?(5 分)