阿摩線上測驗
登入
首頁
>
教甄◆電腦科專業
> 103年 - 103年新北市高中職教師聯甄資訊科試題#42373
103年 - 103年新北市高中職教師聯甄資訊科試題#42373
科目:
教甄◆電腦科專業 |
年份:
103年 |
選擇題數:
50 |
申論題數:
0
試卷資訊
所屬科目:
教甄◆電腦科專業
選擇題 (50)
1. 8 位元微電腦其 CPU Address Bus 共有 24 條位址線,則可有多少記憶定址容量? (A) 16M (B)8M (C) 24M (D) 24 bytes。
2. 下列網路架構中,哪一種架構會因為任一部電腦有問題,而導致網路中所有電腦都 無法聯繫? (A) 星狀 (B) 環狀 (C) 樹狀 (D) 匯流排。
3. 將兩個十六進位的數字(AAAB)
16
與(AAC3)
16
(下標代表進位系統)轉成二進位後 執行 bit-level XOR 的運算,所得的結果以八進位表示為何? (A) (1212150)
8
(B) (150)
8
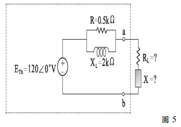
(C) (1212320)
8
(D) 以上皆非 。
4. 在一個有 2,000 個已排序的名字的名單中,用二分搜尋演算法(binary search algorithm) 來找尋某一個特定名字時,最多要比對多少個名字? (A) 1025 (B) 12 (C) 2050 (D) 11。
5. 若放大器的特性參數值 R
i
= 10kΩ、R
o
= 200 Ω、 A
v
=100 ,當輸入信號 V
i
=10 mV 時, I
o
= ? (A) 1mA (B) 10mA (C)50mA (D) 5mA。
6. 有關半導體元件之結構何者錯誤? (A) NPN 型與 PNP 型電晶體都屬於雙極性電晶體 (B) N 型半導體是在純矽中摻雜少許 3 價原子材料 (C) MOSFET 可分成增強型(Enhancement)與空乏型(Depletion)兩大類 (D) JFET 可分成 N 通道與 P 通道兩大類。 第 2 頁/共 8 頁
7. 如圖 1 所示之電路,其輸出電壓為? (A) 10V (B) -10V (C) 5V (D) -5V。
8. 如圖 2 所示之電路, V
CE
=6v , V
BE
= 0.72v, R
C
=2k Ω,
β
=100 ,則 R
B
= ? (A) 376kΩ (B) 37.6kΩ (C) 3.76kΩ (D) 0.376kΩ。
9. 一個三相 60Hz 的感應電動機,其滿載時其轉速為 1200rpm,試求該電動機之磁極數 為若干?(A) 2 極 (B) 4 極 (C) 12 極 (D) 6 極。
10. 2 的補數系統中,若系統為十六位元其可計範圍是何者? (A) –32768 到+32768 (B) –32767 到+32768 (C) –32767 到+32767 (D) –32768 到+32767。
11. 2 進位的數字系統中(100011.11) 2 (下標代表進位系統)相當於十進位的值是多少? (A) 35.625 (B) 35.75 (C) 35.5 (D) 35.25。
12. JK 正反器 J、K 輸入端皆為 1 時,當時序脈波輸入後,輸出端 Q(t+1)之狀態為何? (A) 0 (B) 1 (C) 不變 (D) 原來 Q(t)的反相。
13. 示波器 AC/GND/DC 選擇開關中 GND 的主要用途為何? (A) 避免短路 (B) 將待測電路隔離 (C) 確認輸入為 0V 的基線位置 (D) 讓 AC 信號為零,只顯示 DC 信號。
14. 有一馬達的效率為 74.6%,輸入功率為 2000 瓦特,則其輸出馬力數為多少? (A) 2 (B) 1 (C) 746 (D) 1492。
15. A、B 兩導體以相同材料製成,導體 A 截面積的半徑為 B 的兩倍,導體 A 的長度為 B 的一半,若 A 的電阻為 10 Ω,則導體 B 的電阻為: (A) 1.5 Ω (B) 10 Ω (C) 40 Ω (D) 80 Ω。
16. 兩個電阻 R
1
及 R
2
其電阻值比為 1:2,若將其串聯接於電源,已知 R
1
上的電壓為 10 V,R
2
上的消耗功率為 20 W,則 R2 為 (A) 40 (B) 10 (C) 20 (D) 5Ω。
17. 有一三相發電機,供應 200V 的電源電壓給一平衡三相負載,該負載的電功率為 1732W,功率因數為 0.5,求其負載電流為多少? (A) 5A (B) 10A (C) 20A (D) 100A。
18. 在 RLC 串聯電路中,v(t) = 100 sin(100t) V,其中電阻 R = 10 Ω,電感 L = 10m H, 當電路發生諧振時,電容器兩端之最大電壓為多少? (A) 1V (B) 10V (C) 20V (D) 100V。
19. 三相平衡之△連接電路,若相電流為 10
A,則線電流為何? (A) 10 A (B) 10
A (C) 30 A (D) 30
A。
20. 數位簽章的功能為何? (A) 將簽名掃描成數位圖像 (B) 加密資料電子郵件具有不可否認性 (C) 確保客戶資料不會被竊取 (D) 過濾垃圾郵件。
21. 如圖 3 所示電路,已知電燈(L)規格為 10V,10W,今欲使電燈正常發亮,所串 聯之電阻器( R )的規格何者最適當? (A) 20Ω,20W (B) 40Ω,40W (C) 80Ω ,80W (D) 90Ω ,90W。
22. 有一設備每小時耗電 12kW,功率因數為 0.6 滯後,欲將功率因數提高至 0.8 滯後, 應加入並聯電容器的無效功率為多少? (A) 2.4 k VAR (B) 14 k VAR (C) 7 K VAR (D) 1.2 kVAR 。
23. 有一偏壓電路,其集極-基極的電壓 V
CB
為 4.3V,射極-基極的電壓 V
EB
為 -0.7V, 若電晶體於作用區中,β 值為 100,基極電流 I
B
為 0.01mA,則電晶體工作點為? (A) I
C
=1mA、V
CE
=5V (B) I
C
=1mA、V
CE
=3.6V (C) I
C
=0.1mA、V
CE
=5V (D) I
C
=1mA、V
CE
=4.3V。
24. 在半加法器中,其輸入為 A 與 B,輸出分別以 S(Sum)和 C(Carry)表示,則 (A)
(B)
(C)
(D)
。
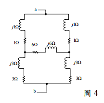
25. 如圖 4 所示之電路,則圖中 a 、b 兩點間之等效阻抗為: (A) 2 + j1 (B) 2 + j 2 (C) 4 + j4 (D) 6 + j 6 。
26. 某 RLC 並聯電路,若電源電壓為 10sinωt V,電阻=8kΩ,電感=0.2mH,電容=8μF, 當電路之品質因數 Q 值為何? (A) 1000 (B) 1200 (C) 1500 (D) 1600。
27 (A) 4 ✖106 [rad/ s ] (B) 5 ✖10
6
[ rad/s ] (C) 4 ✖10
7
[rad /s ] (D) 5 ✖10
7
[rad /s ]。
28. 同上題,品質因數為多少?(A) 20 (B) 30 (C) 40 (D) 50。
29 (A) 485.∠-14
o
(B) 485.∠14
o
(C) 500.∠-14
o
(D) 500.∠14
o
。
30. 同上題,欲得到最大功率傳輸時,此一最大功率為多少? (A) 7.05[
W
] (B) 7.25[
W
] (C) 7.45[
W
] (D) 7.65[
W
]。
31. 一個運算放大器之 SR=2V/μs,當輸入信號 10μs 內變動 0.5V 時,計算不失真的最 大閉迴路電壓增益 A
CL
﹖ (A) 20 (B) 30 (C) 40 (D) 50。
32. 如圖 6 所示電路中,輸出電壓 v
o
(t) 為: (A) -0.1t (B) -t (C) -5t (D) -10t。
33 (A) 5V (B) 7.5V (C) 10V (D) 12.5V 。
34. 同上題,若限定 I
o
為 1A 時,則 R
S
約為 (A) 0.4Ω (B) 0.5Ω (C) 0.6Ω (D) 0.7Ω。
35. 同 33 題的圖 7 所示,二極體的主要功能為(A) 檢波 (B) 整流 (C) 箝位 (D) 保護。
36. 樞密特觸發電路(Schmitt trigger),不論輸入波形為何,其輸出波形為: (A) 方波 (B) 正弦波 (C) 三角波 (D) 鋸齒波。
37. 下列兩個八進位數值相加,其結果為何? (23.3
)8
+ (56.5)
8
= (A) (500.11)
8
(B) (102.0)
8
(C) (66.0)
8
(D) (79.8)
8
。
38. 在下列 VB 程式片段中,其執行結果 B(3)的值為何? (A) 4(B)16(C)256(D)65536。 Dim B(5) B(1) = 4 For i = 2 To 5 B(i) = B(i - 1) ^ 2 Next i
39. 物聯網(Internet of Things)概念是使各種設備都能上網,為了使設備之間能直接透過 現有網際網路進行資料交換,必須提供大量的網路地址。下列哪一種地址最適合此 應用?(A) IPv4 (B) IPv6 (C)IPX/SPX (D) AppleTalk。
40. 對下圖 8 作前序走訪 (preorder traversal) 的結果為? (A)ABDECFG (B) ABCDEFG (C ) DBEAFCG (D) DEBFGCA。
41. 下列的Visual Basic 函數, Private Function beef (x As Integer, y As Integer ) sum = 0 For i = x To y sum = sum + i Next i beef = sum End Function 在執行 Print beef(5, 10) 後,結果為(A)40(B)45(C)60(D)70。
42. 下列何種資料結構不是線性結構?(A) 陣列(Array) (B) 佇列(Queue) (C) 堆疊(Stack) (D) 樹(Tree)。 A B C D E F G
43. 假設樂透彩券的中獎號碼是 10 ~ 42,在 Visual Basic 語言中,下列何者可以產生一 個從 10 到 42 的整數亂數? (A) Int (Rnd * 33) + 10 (B) Int (Rnd * 32) + 10 (C) Int (Rnd * 10) + 33 (D) Int (Rnd * 41) + 2。
44. 請問下列程式片段執行之後,A[8]元素內的值是多少? (A) 8 (B) 13 (C) 21 (D) 34 。 A[3]=2; A[4]=3; for i=5 to 10 A[i] = A[i-1] + A[i-2]; next
45. 台北捷運「悠遊卡」及高雄捷運「一卡通」都是使用下列何種技術? (A) RFID (B) Bluetooth(藍牙) (C) 3G (D) Wi-Fi。
46. 當下列程式片段執行完畢後,變數 x 的數值為(A) 36 (B) 45 (C) 55 (D) 66 。 int n = 0;int x = 0; do { x += n;n++; }while (n < 10);
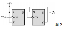
47. 如圖 9 所示,若輸入 CLK 的時脈頻率為 16MHz,其 Qo輸出頻率為: (A) 1MHz (B) 2MHz (C) 4MHz (D) 8MHz。
48. 如圖 10 所示電路,輸入信號是 3V
pp
,傳送到揚聲器的功率是多少 mW? (A) 120 (B) 140 (C) 160 (D) 180。
49(A) 2mA (B) 2.5mA (C) 3mA (D) 3.3mA。
50.同上題,試計算直流電壓 V
C1
為(A) 3.875V (B) 4V (C) 4.125V (D) 4.25V。
申論題 (0)
相關試卷
113年 - 113 金門縣國民小學教師聯合甄選試題:資訊科技專業科目#120867
113年 · #120867
113年 - 113 高雄市市立國民小學_教師聯合甄選:專長類-資訊試卷#120693
113年 · #120693
112年 - 112 新北市國民小學暨幼兒園教師甄選試題:資訊科#118895
112年 · #118895
112年 - 112-1 國立臺東大學附設實驗國民小學教師甄選試題:資訊專業科目#115036
112年 · #115036
112年 - 112 臺北市市立國民中學正式教師聯合甄選:資訊科技(雙語)科#114640
112年 · #114640
112年 - 112 臺北市市立國民中學正式教師聯合甄選:資訊科技科#114633
112年 · #114633
112年 - 112 高雄市市立高級中等學校聯合教師甄選試題:資料處理科#114465
112年 · #114465
112年 - 112-1 國立東華大學附設實驗國民小學教師甄選題目:資訊專業#114445
112年 · #114445
112年 - 112 臺北市市立普通型暨技術型高級中等學校正式教師聯合甄選:資料處理科#114335
112年 · #114335
112年 - 112 新北市公立高級中等學校教師聯合甄選試題:資訊科#114159
112年 · #114159